» Септик из бетонных колец своими руками: схема проведения работ
Выгребная яма, как элемент канализации на загородном участке, постепенно уходит в небытие. На смену ей пришли септики, которые можно соорудить из разных строительных материалов. Это могут быть колодцы из кирпича, блоков или камня.
Кроме того, можно построить септик из бетонных колец, готовых металлических емкостей или пластмассовых резервуаров. Владельцы загородных домов чаще всего свое предпочтение отдают железобетонным кольцам.
Что такое септик?
Септик – это резервуар или сооруженный колодец, устройство которого позволяет выполнять ему функции обычного отстойника. Конструкция разделена на две или несколько частей перегородками.
Схема работы такова: канализационные стоки попадают в септик и переливаются из одного отсека в другой. При этом органические включения разлагаются на ил и углекислый газ. Первый оседает на дно, второй улетучивается, осветленная же вода проникает в грунтовые воды или выводится за пределы загородного участка.
Объем резервуара
Сделать самостоятельно расчет объема септика несложно. Для этого понадобятся всего три показателя:
- Количество людей, которые проживают постоянно в доме. Обратите внимание, постоянно.
- Количество канализационных отходов от одного человека в сутки. Это величина постоянная, она выведена опытным путем и равна 200 л (0,2 м³).
- Количество времени, за которое органические включения полностью перерабатываются – 3 суток.
Пример расчета
Теперь можно рассчитать объем, перемножив все три числа между собой. Для примера будем считать, что в доме проживает 4 человека.
4×0,2×3=2,4 м³.
Увеличиваем эту цифру до ровного числа. Итак, объем септика будет равен 2,5-3,0 м³.
Как правильно подобрать кольца?
Бетонные кольца для канализационного колодца имеют разные размеры. Высота у всех марок одинаковая – 90 см. А вот диаметр разный: от 70 см до 2 м. Соответственно и объем одного кольца будет зависеть от его диаметра.
Кольца диаметром 1,0 м имеют объем 0,7 м³. Значит, потребуется 4 кольца. Это не значит, что таким образом можно выиграть в цене септика. Ведь чем меньше колец приобретается, тем больших размеров они будут. А значит, будет выше цена каждого изделия.
При выборе необходимо учитывать другой момент – уровень грунтовых вод. И чем выше этот показатель, тем больших размеров вам придется приобретать бетонные кольца. Их количество уменьшается, а значит, уменьшается глубина установки всего канализационного устройства.
Практика показывает, что чаще всего потребители используют кольца диаметром: 100, 120 или 150 см.
Виды колодцев
Устройство переливного септика из бетонных колец может быть двух видов:
- Однокамерный септик.
- Многокамерный (чаще двухкамерный).
Однокамерный
Первый вариант сегодня не используется, так как считается малоэффективным.
Ранее внутри колодца возводилась перегородка. Дно первой части заливалось бетонным раствором, вторая засыпалась фильтрующими материалами (песком и щебнем).
При этом приходилось увеличивать размеры резервуара до максимальных, что приводило к усложнению монтажных работ (особенно земляных), плюс снижался коэффициент полезного действия всей установки за счет малой площади фильтрующей поверхности.
Двухкамерный
Двухкамерный септик из бетонных колец – это более сложное канализационное устройство, сооружаемое из нескольких колодцев. Схема такова: первый из них – это сборная емкость, куда попадают канализационные стоки прямо из дома. Здесь при разложении твердые фракции опускаются на дно в виде ила, легкие с осветленной водой проходят во вторую емкость через переливную трубу.
Здесь происходит окончательное разложение органики, при этом чаще всего очищенная вода через фильтрующие материалы проникает в слой грунтовых вод. Нередко вместо фильтрационного колодца устраивают поля фильтрации.
Это несколько траншей, куда засыпаются песок и щебень, затем укладываются перфорированные трубы, засыпаемые еще слоем песка и щебня, а сверху грунтом.
Из сборного колодца осветленная вода движется по трубам и через естественный фильтр уже очищенной окончательно поступает в грунтовые воды.
Строительство очистного сооружения
Для строительства септика из бетонных колец вам обязательно понадобится подъемный кран. Даже несколько человек вручную его поднять смогут с трудом. А установить точно по месту очень сложно, практически невозможно.
Для облегчения работ, связанных с монтажом, специалисты рекомендуют приобрести готовые днища канализационного колодца. Такие сегодня изготавливаются заводами ЖБИ. Для первой емкости используется глухое дно в виде круга, для второй – со специальными сквозными отверстиями.
То есть отпадает необходимость для первого колодца заливать дно из бетонного раствора, используя армирующий металлический каркас. К тому же сокращается время установки, потому что не надо ждать, когда бетонный раствор подсохнет.
А на это обычно уходит до 28 дней.
Земляные работы
В первую очередь надо откопать котлован под септик. Его размеры определяет диаметр бетонных колец и их количество, а значит, и объем проводимых работ.
Под двухкамерный септик выкапывается котлован сразу для двух колодцев. При этом расстояние от стенок котлована до колец должно быть в пределах 50 см. Дно котлована выравнивается, засыпается песочным слоем 10-15 см, который хорошо утрамбовывается.
Рыть котлован можно своими руками при помощи лопат, вынимая грунт ведром. Это дешево, но долго. Можно воспользоваться услугами небольшого экскаватора. Это быстро (часа два), но дорого. Во втором случае все равно придется поработать своими руками, выравнивая дно ямы и ее стенки.
Установка колец
На подготовленное дно котлована подъемным краном устанавливается днище. Его рекомендуется предварительно обработать с двух сторон гидроизоляционной битумной мастикой.
Затем устанавливается первое кольцо.
Его с внешней стороны также надо гидроизолировать. На первое – второе и так далее. После чего изнутри колодца заделываются стыки между кольцами. Чаще всего их обрабатывают жидким стеклом или цементным раствором, смешанным с жидким стеклом.
Далее устанавливается бетонная крышка с отверстием, на которое впоследствии монтируется обычный чугунный люк со съемной крышкой. Можно использовать крышку самодельную, но лучше, если она будет изготовлена из металла. Эта конструкция должна быть с высокой степенью безопасности.
Второй колодец сооружается по такой же схеме. Единственное отличие – это создание фильтрующего слоя под перфорированным дном резервуара. Для этого сначала засыпается слой песка, затем слой щебня. Все остальные операции проводятся так же, как и в первом случае.
Монтаж канализационных труб
Один из основных элементов в конструкции двухкамерного септика – это переливная труба. Она соединяет два колодца между собой. Ее месторасположение определяет труба, по которой канализационные стоки поступают в септик из дома.
Так вот, переливная труба должна располагаться ниже входа основного трубопровода приблизительно на 20-30 см. При этом ее устанавливают с небольшим уклоном в сторону второго резервуара, так как жидкость по ней будет перемещаться самотеком.
Этот элемент изготавливают из пластиковой трубы. Для ее установки в бетонных кольцах необходимо сделать перфоратором отверстия под диаметр. После установки стыки надо заделать цементным раствором с жидким стеклом.
Завершающий этап
Остается лишь засыпать свободное пространство котлована грунтом и установить на крышке септика вентиляционную трубу. Кстати, вентиляция септика из бетонных колец – условие обязательное. Через нее из септика выходит углекислый газ, как продукт разложения органики. Но устройство вентиляции играет и вторую роль: через трубу внутрь поступает кислород. Он поддерживает жизнедеятельность аэробных бактерий, которые и разлагают органические вещества.
И последний штрих – декорирование участка, на котором сооружен септик из бетонных колец.
Правильно будет сделать оформление под тип насаждений, которые растут на участке. Таким образом, можно будет скрыть и вентиляционную трубу, и люк.
Полезные советы
Очень важно правильно выбрать место сооружения септика. Оптимальный вариант – недалеко от забора, где проходит дорога. Все дело в том, что сборный колодец придется периодически очищать от скопившегося ила. Это лучше всего сделать с помощью ассенизационной машины. Расстояние от дома до септика – минимум 5 м, до питьевого колодца, скважины или любого водоема – 50 м.
При строительстве особое внимание надо уделить стыкам колец. Это самые уязвимые места. Их не только надо заделать, но и хорошо гидроизолировать. Вот почему рекомендуется использовать жидкое стекло. Было бы неплохо, если провести обработку внутренних поверхностей колодцев битумными мастиками. Это недешево, но увеличит срок эксплуатации.
Заключение
Итак, септик из бетонных колец не относится к категории «завершенные очистные сооружения».
Но на выходе, если правильно рассчитать его объем, выбрать схему и сделать грамотно монтаж, можно получить достаточно чистую воду. Она не загрязнит грунтовые воды, а ил можно использовать как удобрение.
Двухкамерный септик из бетонных колец своими руками
Дома без канализации обойтись не могут, отсутствие системы водоотвода лишает загородное жильё благоустроенности. Нанять бригаду умельцев подчас слишком дорого, иногда просто нет средств, а канализация нужна, создайте сточную систему самостоятельно.
Для полноценной работы на десятилетия делают систему канализации с очищением отходов в септике.
Септик – особенная конструкция, способная очищать большие объёмы сточных вод, не нанося вред окружающей среде. Видов, типов, моделей огромнейшее количество прилагаемых на рынке. Часто встречающийся вид септика двухкамерный из бетонных колец. Данный тип характеризуется как долговечная, экологически чистая конструкция. Собирается конструкция при помощи техники, большой вес колец поднять человеческой силой невозможно, необходима транспортировка грузовым транспортом. Перед организацией моментов транспортировки, установки требуется провести целый ряд других мероприятий.
Мероприятия подготовки работ установки септика
Мероприятия, именуемые проектом, содержат информацию точных расчетов требуемого материала, чертеж всей системы с условными обозначениями, выполненный в масштабе. Чертеж – основной документ, по которому будут проходить работы. Составление сметы нужно для подсчета строительного материала, указанного в проектной части.
Проект имеет огромную силу, приступая к его составлению, изучают специальные строительные и санитарные нормы, необходимые в точном соблюдении.
Согласно нормативным актам удаляют конструкцию септика от строений, других объектов участка. Расстояние станет защитным барьером. Место расположения следует выбирать по нескольким правилам:
- малое количество грунтовых вод;
- почва без больших слоёв глины;
- желательно место без растительности;
- непосредственная близость от дороги.
Каждый пункт имеет свои факторы воздействия на условия, с которыми будут выполняться работы, уход за готовой системой, другие факторы имеющие негативное воздействие. Бетонные кольца имеют пористую структуру, обрабатывают поверхность разными методами, половодные места не подходят для данного вида септика. Глинистое дно не позволит уходить очищенным водам в грунт, вызовет переполнение ёмкости, произойдет затопление территории. Выбрать место без растительности, чисто эстетическое суждение, растительность можно перенести в другое место, перед земельными работами. Размещать совсем возле проезжей части нет необходимости, достаточно возможности подъезда спецтехники.
Раз в полгода необходимо проводить плановую чистку, потребуется ассенизатор, именно эта причина требует подобного размещения.
Все капитальные сооружения наносятся на план местности, выбирается место для септика. Самый точный расчет требует объём септика, сточные воды превышают 10 м³, следует подумать о третьем резервуаре, стоки не будут вовремя перерабатываться, вызов ассенизатора станет частой необходимостью. Объём всегда делают с запасом трехдневного потребления воды, других жидких отходов. Берем смету, закупаем, транспортируем материалы на земельный участок.
Подготовительный этап
Весь процесс делят на этапы, каждый пункт обладает особенностями проведения. На подготовительном этапе делают распланировку участка, трубы и соединительные части маркируют по чертежу, проверяют наличие требуемых уплотнителей. Дом, в котором проживают круглый год, требует рабочего состояния канализации зимой, особо холодные периоды сопровождаются электрическим обогревом.
Нарезая трубы, нарезают кабель, соединяют самоклеящейся лентой, обматывают в утеплитель.
Отсутствие хотя бы одной единицы по чертежу, работы не начинают, поскольку проводиться должны разово, траншеи на участке доставляют неудобства.
Этап земельных работ
Все подготовили, подсчитали, переходим к рытью канав, выемки под сам септик. Ров, котлован вырывается, учитывая параметры нужные для насыпного слоя, дополнительного расширения для благоприятного проведения работ. Камни, стекло, другие предметы в вырытых ямах удаляют, дно уплотняют. Днище котлована, в месте установки фильтрующего колодца, кольцо без дна, септика засыпают, дренажный 30 сантиметровый слой фильтрующей смеси (песок, мелкий гравий). Колодец засыпают щебнем на один метр. Вокруг делают такую же насыпь. Делают стяжку, заменить можно бетонными плитами, места стыка заделать бетоном. Некоторые бетонные кольца имеют дно, тогда стяжка, как элемент сооружения не делается.
Траншеи устилают изолирующей тканью, делают насыпь, служит дополнительным утеплением, текстиль защитит от внешних природных причин повреждения.
Внешний слой теплоизоляции не даст теплу от обогрева уходить в землю. Раскладываем трубы по краю траншеи, опускаем в котлован бетонные кольца. Наличие помощника может сэкономить время, пока проводятся земельные работы, привезти бетонные кольца, можно договориться с продавцом о времени доставки, если эта услуга доступна.
Сборочный этап
Монтажные работы проводятся в двух форматах. Один сборка водосточных труб, второй сборка септика.
Начнем собирать септик. Кольца с помощью крана опускают в котлован, стыковка колец происходит бетоном. Сделать отверстие в бетонной конструкции сложно, позаботьтесь заранее. Прокладываем трубы между отсеками, фиксируем, заделываем место стыковки. Отдельно проводят герметизацию. Бетон пористый, требует заполнение пустот для искоренения возможности попадания влаги из внешней среды. Герметизирующий материал может быть следующий:
- битумные замазки;
- лакокрасочные покрытия;
- жидкие смеси на основе битума.

Наносят несколько слоев герметика, со всех сторон, дают высохнуть, после чего начинают засыпку. Засыпка применяется природная, для экономии на водонепроницаемых средствах. Глина – природный материал, не пропускающий воду, прекрасно послужит слоем гидроизоляции бетонных колец. Устанавливают люки, шторка – полезное устройство, удобно, через это отверстие можно добавлять биологические организмы. Некоторые конструкции разработаны под закрытие колодцев бетонными плитами, люком закрывают только один.
Трубопроводная система собирается, зачищая места стыковки, соединяются коленами с уплотнителями из резины, изолируются герметиками. После стыковки с септиком, трубы засыпают насыпью теплоизоляционного слоя, материал собирается в рулон, спаивается. Поверх насыпают 15-20 сантиметров песка, сверху засыпают землёй.
Бетонные кольца с отверстиями для фильтрующего колодца, используют реже, установка немного отличается от обычного кольца. Отверстия находятся по всему периметру кольца.
Вокруг делают насыпь песка вперемешку со шлаком, шлак можно заменить гравиев. Заканчивают насыпь, круговым слоем глины, выполнят удобнее в обратном порядке. Колодец оснащается вентиляционной трубой, наружный конец трубы защищают от дождя.
Что нужно знать при выборе данного варианта загородного септика
Идеального в нашем сложном мире ничего нет. Вариация из бетонных колец, как все существующие варианты, имеет свои преимущества, недостатки.
Достоинствами являются:
- конструкция очень надежная;
- работа рассчитана на десятилетия;
- хорошая пропускная способность;
- короткое время монтажа;
- недорогостоящая система.
Недостатки:
- требуется дополнительная двухсторонняя гидроизоляция;
- необходимо заказывать специализированную технику;
- объём имеет жесткие границы;
- дополнительная работа с кольцом (проделывание отверстий).

Советы специалистов
Первый совет позволит сэкономить средства, не нанимать кран, можно в случае первоначальной подготовки котлована, привезенные кольца выгрузят прямо в готовую яму.
Не экономьте, покупая глухой люк, разница в цене маленькая, преимуществ море, например, добавление необходимых средств через отверстие в крышке, смотреть, нужна ли капитальная чистка.Вентиляционные трубы в каждом отсеке лишними не будут, обмен газами способствует работоспособности бактериального слоя, так же можно добавлять средства по устранению запаха.
Замерзание враг номер один, утеплите конструкцию в соответствии с зимними условиями.
Увеличиваете объём наращиванием, сначала зафиксируйте кольца скобами из металла.
Используйте новые разработанные вещества глубокого проникновения для лучшего качества гидроизоляции.
Двухкамерный септик из бетонных колец
Двухкамерный септик из бетонных колец
Основная схема септика из бетонных колец
Схема работы септика из бетонных колец
Септик из бетонных колец своими руками
Схема монтаж септика из бетонных колец
При возведении локальных очистных сооружений для загородных домов их владельцы стремятся по возможности минимизировать расходы, применяя более недорогие, но при этом эффективные решения.
Одним из них является устройство септика из бетонных колец.
Достоинства и недостатки септиков из колец
Основным достоинством устройства септика из колец является низкая стоимость. В настоящее время такие локальные очистные сооружения являются одним из самых дешевых вариантов обустройства канализации загородного дома. Кроме того, имеется возможность провести все работы собственными силами. Ну и, конечно же, нельзя не отметить простоту и неприхотливость в обслуживании и эксплуатации.
Однако, на этом достоинства септиков из бетонных колец заканчиваются, уступая место целому ряду существенных недостатков. Прежде всего, это запах, поскольку септик из колец является негерметичной конструкцией. Кроме того, довольно часто требуется очищать резервуар от отложений, для чего приходится пользоваться услугами ассенизаторов. Конечно же, можно использовать специальные биоактиваторы. Но эти добавки лишь ускоряют процесс разложения бытовых отходов и уменьшают количество твердых отложений.
В этом случае без услуг ассенизаторов также не обойтись.
Еще одним существенным недостатком является недостаточно высокая герметичность стыков между бетонными кольцами, в результате чего жидкие стоки могут проникнуть в грунт. Однако в случае качественного устройства септика из колец можно предотвратить такое развитие событий.
Схема устройства септика из колец
Устройство септика из колец представляет собой многоэтапную процедуру, которая состоит из следующих операций:
- подбор места монтажа;
- устройство котлована;
- установка бетонных колец;
- укладка и присоединение труб;
- герметизация стыков между кольцами;
- монтаж перекрытий;
- обратная засыпка септика из колец.
Однако перед началом работ следует определиться с конструктивными особенностями и произвести расчеты производительности. Как правило, схема септика из колец содержит одну или две отдельные камеры, в которых загрязненные воды, отстаиваются и очищаются, после чего направляются для дополнительной очистки в поля фильтрации либо в фильтрационный колодец.
Выбор между одна-, и двухкамерной конструкцией зависит от количества жильцов и сантехнического оборудования. Впрочем, целесообразнее всего сделать выбор в пользу септика из колец с двумя камерами, поскольку он обеспечит неплохой запас производительности, что самым благоприятным образом скажется на качестве очистки.
Что касается расчетов производительности, то они должны производиться, исходя из суточного расхода. Как известно, один человек в день в среднем потребляет около 200 литров воды.
В то же время строительные нормы, предъявляемые к очистным сооружениям, очень жестко описывают емкость камер. Она должна вмещать не менее трех суточных объемов потребления воды, т.е. не менее 600 литров. При наличии большего числа потребителей это число должно быть увеличено кратно количеству проживающих.
Еще одним нюансом строительства септиков из бетонных колец является подбор места. Согласно действующим строительным и санитарно-гигиеническим нормам, такие очистные сооружения должны располагаться на расстоянии не менее 5 метров от жилых построек, а также не ближе 50 метров от источников водоснабжения.
Кроме того, септики из колец могут возводиться только в местности с низким уровнем грунтовых вод.
На сегодняшний день бетонные септики являются одним из самых эффективных очистных сооружений, применяемых в загородном малоэтажном строительстве, отличаясь при этом низкой себестоимостью. Среди других достоинств следует отметить высокую механическую прочность, вместительность и простоту в обслуживании и повседневном применении. В отличие от септиков из бетонных колец, такие очистные сооружения обладают заведомо большей герметичностью за счет полного отсутствия соединительных швов.
По сравнению с пластиковыми, септики из бетона для дачного дома также обладают целым рядом преимуществ. Прежде всего, их можно сооружать в местах с высоким уровнем грунтовых год. Кроме того, при сопоставимым сроком службы эти очистные сооружения более безболезненно переносят агрессивное воздействие внешней среды.
Типовые варианты монолитных бетонных септиков для дачи
Самым простым вариантом является однокамерный бетонный септик.
Он представляет собой резервуар из бетона, внутри которого протекают процессы отстаивания и осветления канализационных стоков. Содержащиеся в них посторонние включения постепенно оседают на дно, где со временем превращаются в ил, выделяя при этом некоторое количество теплоты, метана и сероводорода.
При этом более легкие вещества и газы всплывают наверх, образуя слой пены. Постепенно засыхая, она превращается в так называемую флотационную корку. Чтобы предотвратить засорение системы, на входных и отводных трубах бетонных септиков для дачи устанавливаются тройники.
Несмотря на низкую себестоимость и простоту конструкции, односекционный бетонный септик для дачи обладает одним, но довольно существенным недостатком – высокая вероятность выброса твердых частиц в трубы поля фильтрации, из-за чего они засоряются. Именно поэтому наибольшей популярностью пользуются двухкамерные бетонные септики для дачи.
Двухкамерные бетонные септики для дачи
Ключевой особенностью конструкции двухкамерного бетонного септика является перегородка, разделяющая его на две неравные части.
Это позволяет свести к минимуму вероятность выталкивания твердых осадков в поле фильтрации либо фильтрационный колодец. Кроме того, за счет разделения на две камеры, такой септик требует менее частого обслуживания. При интенсивной эксплуатации очистку камер следует проводить не чаще одного раза в течение 3-5 лет.
Сравнивая двухкамерные бетонные септики для дачи с их однокамерными аналогами, нельзя не отметить более высокое качество очистки канализационных стоков. На выходе их степень чистоты составляет не менее 60-70%. Проходя через поля фильтрации, сточные воды удается очистить на 85-90%, что значительно снижает риск загрязнения окружающей среды.
Помимо этого, во второй камере можно соорудить дополнительный щебеночный фильтр. В качестве фильтрующего элемента применяется гранитный щебень фракции 20 мм. Основным его функциональным назначением является снижение вероятности заброса не растворившихся твердых частиц в дренажные трубы фильтрационного поля, где происходит доочистка канализационных стоков.
Единственным недостатком двухкамерного бетонного септика является более высокая стоимость возведения и повышенная трудоемкость работ. Однако, на фоне вышеназванных достоинств их нельзя признать существенными.
Септик из бетонных колец: схема, устройство, монтаж
Схема септика
Устройство жизнеобеспечения загородного дома невозможно без нормально функционирующей автономной канализационной системы. Как правило, многие предпочитают делать выгребную яму. Однако ее эксплуатации хватает на 2-3 года, а при большом объеме стоков и менее чем на 1 год. Самым верным решением в этой ситуации является септик из бетонных колец своими руками.
Если выбор его параметров будет грамотен и требования по монтажу соблюдены идеально, такой вариант автономной канализации прослужит не меньше самого дома. При этом не нужно будет заказывать машину для откачки накопившихся нечистот из ямы, и почва не будет загрязняться отходами. Рассмотрим, как правильно его сделать и как он устроен.
Содержание статьи
Устройство конструкции
Септик из железобетонных колец характеризуется набором таких параметров, как объем, количество камер очистки, дренажная труба и прочее дополнительное оборудование. Чтобы сделать правильный выбор в конкретном случае, рассмотрим все варианты основных модификаций автономной канализации и принципиальные схемы их работы.
Таблица возможных вариантов:
| Вариант конструкции | Описание |
| Однокамерный без дна Однокамерный септик колец из бетона схема | В основе такой конструкции используются два кольца, верхний из которых имеет люк, а нижний не имеет дна и напрямую контактирует с грунтом. Канализационные стоки попадают в канализацию, в результате чего твердая фракция отходов оседает на дно и там в последующем разлагается, а жидкая постепенно уходит в грунт. Достоинства:
Недостатки:
|
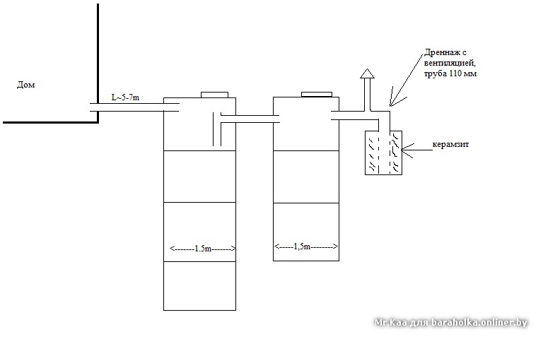
| Двухкамерный Двухкамерная конструкция | Здесь более сложное устройство септика – схема предполагает наличие двух «колодцев». В первую камеру непосредственно попадают канализационные стоки. В ней твердые фракции оседают на дно (используется закрытый «колодец»), а верхние легкие/жидкие фракции переливаются через трубу во вторую камеру. Второй, называемый также переливной, «колодец» не имеет дна. Однако он может заполняться фильтрующим веществом (щебнем, керамзитом) для очистки взвесей. Либо может выполняться пустым — для приёма стоков, поступающих из первой камеры, и их очищения с помощью биоактивных компонентов. Самодельное устройство для канализационных стоков — двухкамерное имеет следующие плюсы:
Недостатки:
|
| Трехкамерный Трехкамерная конструкция | В этом случае септик из колец включает уже три камеры. Первая выполняет ту же функцию, что и для двухкамерного варианта камера играет роль фильтра с дном. В третий отсек вода попадает технически очищенная. Плюсы:
Минусы:
|
Достоинства устройства
Насколько бы идеальной не казалась конструкция колец из бетона, прежде чем начинать его строить, нужно учесть основные его плюсы и минусы.
Достоинства:
- В отличие от выгребной ямы, даже самый элементарный септик однокамерный, но при этом верно рассчитанный по объему, если и потребует проведения откачки нечистот, то на порядок реже.
- Полностью устраняются проблемы с канализационным запахом как внутри помещения, так и снаружи – рядом с камерами.
- Канализационные воды если и попадают в грунт, то в незначительных количествах, не нарушающих экологическую ситуацию близлежащих слоев грунта и водоемов.
- В относительной близости рядом с конструкциейть колодец для забора питьевой воды, что крайне недопустимо при наличии выгребной ямы.
Недостатки
Септик на даче, конечно, не лишен недостатков. Однако все они вполне решаемы при правильном расчете и соблюдении требований по монтажу его конструкции.
- Прежде всего, это касается особенностей грунта на участке, где он будет устанавливаться. Если под септиком располагается скала – можно обойтись без особых предосторожностей.
- С другой стороны, на подвижный грунт его навливать нельзя. Камеры с дном нужно устанавливать на предварительно подготовленные бетонные подушки.
- Бездонные «колодцы» лучше использовать в монолитной форме – либо применять для их возведения ж/б-кольца с замковой системой соединения.
- Для надёжности и создания единого прочного каркаса, их ещё и скрепляют между собой специальными крепежными пластинами. Также под них подготавливают так называемые щебеночные подушки.
Кроме того, один из существенных недостатков монтажа касается технической стороны процесса. Септик своими руками из колец установить невозможно без привлечения грузоподъемной техники. Вес даже самого малого ж/б-кольца достигает нескольких сотен килограмм.
Монтаж септика из железобетонных колец
Даже самый простой септик из двух колец, нуждается в тщательном расчете и подготовке места — тем более, если планируется устанавливать более сложную, трехкамерную автономную систему канализации к частному дому.
Поэтому рассмотрим, как правильно определить место установки септика, сделать его точный расчет, исходя из планируемого объема стока, и из каких основных этапов состоит его монтаж.
Видео в этой статье показывает, как правильно подбирается и выполняется монтаж септиков из ЖБ колец.
Правила выбора места
Прежде чем начать планировать, каким будет система канализационных стоков и их приемник, необходимо правильно подобать место. Естественно, лучше всего делать это перед тем, как будет построен сам дом.
Но даже если дом уже есть, установка должна происходить с учетом следующих параметров:
- Расстояние до фундамента дома должно быть не менее 5 метров если дом уже построен. Нередко котлован вырывают намного ближе к строению. Однако это возможно в тех случаях, когда дом еще на стадии возведения фундамента, либо когда сооружение не тяжелое.

- От колодца для питьевой воды или скважины, септик должен быть удален на несколько десятков метров, в идеале – на 30 метров. Это исключит попадание сточных вод при их неконтролируемом проникновении в почву.
- Во избежание проникновения в камеры талых и дождевых вод, монтаж септика из колец по возможности должен происходить на возвышенном месте участка.
- Котлован под автономную систему канализации лучше делать как можно ближе к дороге, естественно, соблюдая нормы безопасности во время строительства, или оставляя для него подъездной путь. Это необходимо по той причине, что устройство септиков из ЖБ колец происходит с помощью спецтехники (автокрана, экскаватора и др.).
Кроме того, дальнейшее обслуживание канализации может потребовать откачки, опять же, выполняемой с помощью специальной машины.
Обратите внимание! Чем дальше от дома расположен септик, тем длиннее будет труба канализационного стока, устанавливаемого под уклоном, и тем глубже потребуется углублять его камеры.
Расчет конструкции
Расчет должен учитывать не только количество человек, проживающих в доме, но также эксплуатацию различной сантехники – стиральной машины, посудомойки и прочего оборудования.
В норме один человек производит около 120-170 (максимум 200) литров вод в сутки. Это естественное потребление воды, образуемое при использовании душа, ванной, умывальника и унитаза. При это не учитывается бассейн/джакузи, если он имеется в доме.
Для определения объема используется простая формула:
- Количество человек х 200 литров (или 0,2 куб) = объем
- При этом нужно обязательно учесть, что любой правильно построенный септик проводит очистку большей части объема этих вод в течение 3 суток.
- Поэтому полученный объем нужно умножить на 3
Например, если в доме проживает 4 человека, то объем вод в максимальном случае будет равен – 4 х 200 = 800 литров. Теперь нужно умножить полученное значение на 3, и получим = 2400 литров или 2,4 куба.
Это и будет расчетный объем одной камеры. Исходя из этого подбирает количество железобетонных колец.
Обратите внимание! Последнее/верхнее бетонное кольцо не должно заполняться полностью. По нормативам оно не должно наполняться более чем на одну треть своего объема.
Основные этапы монтажа
- Прежде всего необходимо сделать разметку места под рытье котлована, исходя из правил выбора места под септик и его типа (одно-, двух- или трехкамерный).
- Строительство конструкции начинается с рытья котлована. Как правило, для этого используется спецтехника, но в целях экономии яму под камеры можно сделать своими руками заранее.
- Когда котлован готов, в зависимости от типа грунта изготавливают либо бетонную, либо щебенчатую подушку. При использовании монолитных камер с дном, или колец, соединяемых с помощью креплений, необходимости в подсыпке или подушке, как правило, нет.
- Далее осуществляют монтаж. Для этой цели преимущественно используются бетонные замковые кольца под.

- Соединяют камеры между собой системой переливных труб, подводят канализационный сток от дома к первому «колодцу» по предварительно вырытой траншеи.
- После того как все элементы установлены, стыки между ж/б-кольцами герметизируют. Гидроизоляция выполняется разными способами. Обычно стыки между торцами колец либо цементируют, либо закрашивают специальной мастикой или варом, а также жидким стеклом.
- После того, как все монтажные процедуры завершены выполняют засыпку ям – промежутков между стенками котлована и камерами.
Обратите внимание! Для ускорения процесса разложения отходов внутри камер, устранения неприятных запахов и дезинфекции, необходимо использовать специальные биологические добавки, которые с определенной периодичностью можно просто добавлять в унитаз или раковину.
Рытье котлована под септик экскаватором
О чем нужно знать еще
Изготовление септика из бетонных колец имеет некоторые особенности, знать которые нужно не только тем, кто обустраивает его своими руками, но и для того, чтобы проверить правильность выполнения всех монтажных процедур.
- Система канализационных труб должна быть так устроена, чтобы движению сточных вод самотеком ничто не препятствовало. Для этого сточная труба из дома устанавливается под определенным углом, а переходы из одной камеры в последующую всегда должны быть ниже минимум на 20 см предыдущего уровня.
- Особое внимание следует уделить герметизации всех стыков первых двух камер, чтобы не допустить проникновения в почву нечистот.
- Последняя камера септика выполняется без дна, при этом, как правило, в самый низ укладывают финишный слой щебня, гравия, керамзита и прочего фильтрующего вещества.
- Если сточные воды из последнего «колодца» уходят в водоем, необходимо на выходе устанавливать хлор-патрон.
- Полнофункциональный септик из трех камер, занимает достаточно большую площадь, и на небольших садовых участках часто просто не хватает для него места.
Обратите внимание! Каждая камера септика должна иметь люк, чтобы в любое время можно было произвести необходимые процедуру по текущему ремонту и обслуживанию (замене фильтрующего вещества, откачке нечистот).
Какой вариант септика выбрать
При выборе варианта септика для загородного дома, нужно исходить в первую очередь из планируемого объема сточных вод в сутки.
- Однокамерный септик подходит тогда, когда объем сточных вод не превышает 1 куб. в сутки. Такого рода система автономной канализации рекомендуется для стоков из ванны/душа/умывальника, но не туалета.
- Септик переливной из бетонных колец или двухкамерный вариант, применяются, когда объем стоковых вод существенно превышает объем в 1 куб. в сутки и одним из их источников является туалет.
- Трехкамерный септик используется для максимального очищения стоковых вод большого объема. Лучше всего этот вариант подходит при высоком УГВ (уровне грунтовых вод) или попадании их в местные водоемы.
Конечно, нужно учитывать и месторасположение дома, и тип грунта, и площадь придомового участка, а также финансовые возможности.
Двухкамерный септик из бетонных колец для частного дома
Сооружая на дачном участке септик своими руками, необходимо продумать конструкцию сточного колодца.
Сооружение из бетонных колец можно сделать одно- или двухкамерным. Расскажем о преимуществах и недостатках таких решений.
Один резервуар
Для частного дома однокамерный септик не подойдет. Такой колодец при любом объеме будет требовать регулярной откачки. А вызов ассенизационной техники даже раз в месяц обходится довольно дорого. Поэтому для частного дома подходят конструкции из бетонных колец с почвенной доочисткой или станции глубокой биологической очистки.
Однокамерный септик пригодится на маленькой летней даче. Лучше проектировать систему так, чтобы в отстойный резервуар сливались стоки только от унитаза. Чистая вода из душа и раковины может просто фильтроваться через почву. Если вы хотите сконструировать такой септик, который не требует регулярной откачки, воспользуйтесь специальными биоферментными препаратами. Они добавляются в «выгребную яму» одномоментно, превращая загрязненные стоки в воду без запаха, которую можно сливать в компост. Расчет биоферментных таблеток проводится на кубический метр загрязненного вещества.
При начале работы своими руками просчитайте оптимальный объем септика. Если в доме работает унитаз, то в сутки он использует около 30 литров воды. Также следует скорректировать количество бетонных колец в зависимости от частоты проживания на даче и числа пользователей. Обязательным условием для такого колодца будет обеспечение максимальной герметичности резервуара. Для этого между бетонных колец прокладывают специальные эластичные ленты, а стыки замазывают гидроизоляционными растворами. Обрабатывается внутренняя и наружная поверхности, это предотвращает быстрое разрушение бетона и продлевает срок службы конструкции. При монтаже септика из железобетонных колец своими руками можно установить вокруг колодца глиняную заглушку. Для этого в промежуток между стенкой и котлованом засыпается глина и тщательно утрамбовывается. Такой метод гидроизоляции актуален для плотных почв.
Итоги:
- Однокамерный колодец не актуален для большого частного дома, но подойдет для маленькой летней дачи;
- Сооружение требует регулярной откачки, которую можно сократить использованием биоферментных препаратов;
- Главное условие качественной работы одной камеры септика – это полная герметичность устройства.

Два резервуара
Двухкамерный септик – это обычный переливной колодец, который можно соорудить своими руками из любого материала (в том числе из железобетонных цилиндров). Принцип работы такой канализации прост. Двухкамерный септик отстаивает плотный осадок в первой камере, во вторую перетекает вода с легкими загрязнениями. В некоторых случаях второй резервуар монтируется без дна и служит фильтрационным колодцем. При другой конструкции вода из него оттекает на поля фильтрации.
Двухкамерный септик не требует регулярной откачки. Жидкость, освобожденная от загрязнений, уходит в почву. А для удаления плотного детрита из первой емкости потребуется ассенизационная техника. Но вызывать ее придется не чаще 1-2 раз в год.
Для загородного дома или коттеджа важно правильно выбрать объем септика. Он рассчитывается исходя из количества человек, пользующихся стоками. Переливной колодец работает медленно, и первая камера обязана вмещать тройной суточный объем жидкости, чтобы автономная канализация работала нормально.
Для пятерых пользователей нужна емкость 180*5*3=2700 литров. Это 4 кольца стандартного размера. Вторая камера должна быть равна по объему первой и располагаться на 20-30 см ниже первого колодца.
Герметичность системы – это главное условие нормального функционирования колодца. Если емкости будут протекать, то вокруг септика будет стоять неприятный запах. Кроме того, загрязнение почвы может повлечь за собой инфицирование грунтовых вод. Неблагоприятная экологическая ситуация на участке может вызвать вспышку инфекционных болезней при заражении питьевой воды.
Итоги:
- Септик из двух камер отлично подходит для постоянного проживания большой семьи за городом;
- Ему не требуется частая откачка, так как жидкая часть сточных вод фильтруется и уходит в почву;
- Однако, ассенизационную бригаду все равно придется вызывать. Делать это нужно один-два раза в год;
- Септик должен быть герметичным;
- Конструкция собирается с применением техники, ведь самостоятельно поднять тяжелые кольца невозможно.

Собрать колодец с одной камерой гораздо легче. Однако, мнимая экономия закончится тогда, когда придется вызывать ассенизационную машину или купить препараты для разложения осадка.
схема устройства и принцип работы
Благоустройство загородного дома или дачи в случае отсутствия поблизости сетей централизованной канализации проводится с помощью автономных систем, одним из главных элементов которых является септик. Именно в эту емкость, состоящую из одной или нескольких камер, происходит сбор сточных вод и их последующая очистка. Чем сложнее устройство септика, тем эффективнее происходит очищение попадающих в него канализационных стоков. При выборе готовой конструкции очистного сооружения учитывается суточный объем отходов.
На данную величину влияет количество жильцов, постоянно проживающих в доме, а также наличие и интенсивность эксплуатирования сантехнического оборудования. Любой тип септиков должен обеспечить достаточную степень очистки стоков для их дальнейшего выведения в грунт без риска его загрязнения. При желании владелец дома может производить откачку септика, вызывая для этих целей ассенизаторскую машину.
В видеоролике в качестве примера наглядно представлен принцип работы септика «Тополь»:
Как очищаются стоки в септике?
Сточные воды, попадая через сливную канализационную трубу в первую камеру очистного сооружения, распадаются на отдельные фракции.
Твердые частицы большого размера падают на дно, а более мелкие взвеси вместе с водой попадают во вторую камеру, где подвергаются «атаке» специальных анаэробных бактерий. В обеих камерах идут активно процессы сбраживания, в результате течения которых происходит выделение газа метана.
Входы в отдельные отсеки септика закрываются затвором, образованным потоком воды, что не допускает распространения неприятных запахов вокруг очистного сооружения. В третьей камере устанавливается особый съемный фильтр, улавливающий просочившиеся загрязнения из первых двух отделений. Здесь же в борьбу за осветление стоков вступают аэробные бактерии, жизнедеятельность которых возможна при наличии кислорода. Именно таким образом можно описать принцип действия септиков, выпускаемых как российскими, так и зарубежными производителями.
Готовые модели септиков, выпускаемых российскими и зарубежными производителями, опускаются в подготовленный котлован. Стоки, очищенные в результате трехступенчатой обработки, попадают на поле фильтрации и уходят в грунт
Важно! В результате многоступенчатой очистки канализационных отходов происходит их эффективное очищение.
Само очистное сооружение способно функционировать дольше без обслуживания и откачивания спецтехникой. От того как работает септик, зависит санитарное состояние участка. При качественной очистке вблизи сооружения никогда не появляются неприятные запахи, имеющие специфический аромат действующей канализации.
Преимущества использования септиков
Зачем использовать именно это очистное сооружение? А вот почему:
- возможность максимально возможной очистки от вредных веществ канализационных вод;
- эксплуатация сооружений в любых климатических условиях, в том числе и при низких температурах в зимний период;
- отсутствие необходимости частого проведения откачки;
- длительный срок службы очистного сооружения;
- независимость некоторых моделей септиков от электроснабжения.
Принципы создания самодельного септика
Септики представлены на российском рынке в большом ассортименте. Готовые резервуары, ориентированные в горизонтальном или вертикальном положении, легко устанавливаются в выкопанный заранее котлован.
Данные емкости могут быть изготовлены из прочных материалов, способных противостоять воздействию агрессивной среды. Обычно производители выпускают изделия из пластика и стеклопластика, но также встречаются модели из металла и железобетонных конструкций.
Стоимость готовых септиков достаточно высока, поэтому многие владельцы частных домов, коттеджей, дач занимаются устройством однокамерных или двухкамерных септиков своими руками. При этом выкапывается вручную или с помощью трактора траншея, в которую опускают бетонные кольца и соединяют их трубой-переливом. Как правило, такой монтаж очистного сооружения требует приложения физических усилий, но не финансов. Так выглядит примерная схема устройства самодельного септика, построенного из трех-шести бетонных колец.
В первом колодце (отстойнике) обязательно заливается бетонное дно, которое не позволяет проникать в почву опасным бактериям. Во втором колодце донное основание засыпается слоями песка и щебня, необходимыми для фильтрации стоков, попадающих в очищенном виде из отстойника.
Схематичное расположение трехкамерного септика, выполненного из бетонных колец в виде трех колодцев. В первом и втором колодцах происходит очищение жидких отходов, а в третьем — их сброс в грунт
Важно! Для обеспечения гидроизоляции конструкции самодельного септика швы между кольцами промазывают цементным раствором и дополнительно обрабатывают специальными водоотталкивающими смесями.
Зная, как устроен типовой септик, и по какому принципу организовано его функционирование, можно всегда построить подобное сооружение своими руками из доступных материалов.
Оцените статью: Поделитесь с друзьями!Септик из бетонных колец своими руками: схема и этапы работ
Автономная канализация в доме – необходимость, как вода, отопление.
Выгребная канализация – прошлое, заводской септик стоит недешево, приемлемый вариант – септик из бетонных колец своими руками. Особенности конструкции позволяют справиться с большим количеством отходов, предотвращают загрязнение грунта. Разберемся в отличительных характеристиках, правильности устройства и монтаже своими руками.
Преимущества и недостатки
Рассмотрим мотивы, позволяющие выбрать именно такую бетонную систему. У бетонного септика ряд неоспоримых преимуществ:
- Автономная работа сооружения, без подвода электрического питания.
- Нет необходимости в устройстве дополнительного дренажа, насоса.
- Размеры бетонных колец на усмотрение владельца.
- Срок службы бетонной конструкции гораздо больше, чем пластиковой, железной.
- Железобетонная конструкция эффективнее справляется с очищением сточных вод.
- Технология установки настолько проста, что работу может сделать человек с минимальными строительными навыками.
- Минимальные затраты на закупку материала и строительные работы.

- Простота в обслуживании.
Есть и вторая сторона медали – недостатки, их нужно знать в лицо:
- Применение специальной техники при монтаже, вручную тяжело поставить бетонные кольца.
- Сложность монтажа труб между секциями (отверстия под трубы делаем самостоятельно).
- Регулярное очищение в септиках камеры твердых отходов. При использовании специальных добавок уменьшается количество вызовов ассенизаторов, за счет разложения твердой массы.
Схема, устройство конструкции
Схема устройства септика.Непосредственно перед строительными работами, необходимо определиться с местом расположения канализации, нарисовать чертеж. На данном этапе стоит учесть некоторые нюансы, которые обязательно отображаются в чертеже:
- расстояние между септиком и домом не менее 5 метров;
- от колодца, скважины с питьевой водой расстояние 30 м и больше.
Возведенным бетонным септиком на участке решается не только проблема сбора повседневного бытового мусора, но и учитывается экологический подход к распаду осадков на неопасные элементы.
Для наглядного понимания процесса, разберем схему строения септиков, основной задачей которых является сбор отходов, поэтапное осветление, очистка. Септики различаются по количеству емкостей:
- однокамерный септик из бетонных колец, процесс работы накопление стоков;
- двухкамерный, емкости связаны между собой переливной трубой;
- трехкамерный, процесс работы, как и двухкамерной емкости.
Каждая емкость отвечает за дальнейший этап очистки стоков. Чем больше емкостей, тем лучше очистка. Важно правильно рассчитать необходимое количество строений. Стандартный вариант – три элемента, но бывают специальные проекты, с меньшим количеством емкостей. Классическая схема септика из бетонных колец:
- Первый колодец – камера для отстаивания стоков с забетонированным основанием. Объем первой емкости – половина от размера всей постройки. В резервуар можно добавлять анаэробы, позволяющие разделять твердые субстанции и остатки накапливать на дне.
При отсутствии на участке сооружений для забора воды, бактериями не пользуются. - Второй колодец – емкость для очищения загрязнений, соединяется с первой и обеспечивает второй уровень фильтрации.
- Третий колодец – емкость фильтрации, соединена трубой со второй емкостью. Бетонное дно резервуара заменено на песчаное или песчано-щебеночное. Через него проходят осветленные воды и проникают в почву.
Как показывает практика, часто ограничиваются установкой двух колодцев. Маленькой семье с небольшим количеством бытовой техники одного отстойника достаточно, но семье с активным использованием стиральной и посудомоечной машин, душем, ванной и т.д., стоит остановить свой выбор на двух емкостях-отстойниках.
Вернуться к оглавлениюРасчет необходимого объема
Как правильно рассчитать объем автономной канализации? Главным показателем при расчете объема является потребление воды на одного человека в сутки. Один жилец расходует 150-200 л воды. Для правильного расчета стоит потребляемый объем на одного умножить на число всех проживающих в доме.
Выходит суточное потребление воды на семью, плюс запас на 200 л, учитывая приход гостей.
Согласно строительным нормам стоковая яма должна содержать в себе объем отходов за трое суток. В среднем на семью из 3-4 человек объем очистного сооружения не меньше 3-4 м³. Цифра суточного потребления не превышает одного м³ – ставьте одно кольцо, если потребляемый объем колеблется от 1 до 8 м³ – септику необходимо две емкости.
Вернуться к оглавлениюЭтапы строительства своими руками
Монтаж по сооружению септика на своем участке включает несколько этапов. Проведены все расчеты, схемы утверждены – заготавливаем материалы.
Вернуться к оглавлениюПодготовка материалов и инструментов
Размеры бетонных колец для септика.Подготавливая список для закупки материалов, в первый пункт записываем бетонные конструкции. Зная количество и высоту резервуаров, легко рассчитать нужное количество колец (высота 90 см). Приобретение нижних колец с уже готовым дном облегчит работу.
Необходимые инструменты:
- пластиковые трубы;
- уголки, тройники;
- асбестовые, вентиляционные трубы;
- цемент;
- гидроизоляционный материал;
- щебень;
- лопата, перфоратор, лестница, ножовка, мастерок.
Выбор местоположения
Место расположения, предназначенное септикам, имеет большое значение. На принятие решения влияют санитарно – эпидемиолгические и строительные требования:
- правильный расчет расстояния для удаления от дома, источника питьевой воды;
- низкое нахождение подземных вод;
- доступность свободного подъезда для транспорта.
Стоит знать, что устройство канализации на расстоянии больше 20 м требует дополнительных расходов для подводящего трубопровода и обустройства ревизионных колодцев.
Вернуться к оглавлениюПодготовка котлована
Подготовка котлована для септика.Все подготовительные работы проведены – роем котлован. Для выкапывания ямы стоит использовать специальную технику, что сэкономит время, или выкопать яму самостоятельно.
Плюс ручной копки состоит в том, что сразу соблюдаются нужные размеры, не понадобится корректировка этих размеров. Глубина ямы не менее двух метров, ширину выкапывайте с запасом, чтобы бетонными кольцами не цеплять бока рва.
Принято считать классическим вариантом котлована – круглую форму. Данное утверждение легко опровергнуть. Отлично подходит котлован в форме квадрата, его легче вырыть, да и бетонная плита в квадратную форму ляжет свободней. При трехкамерном септике вырываем три ямы, при двухкамерном – две. Каждую последующую яму располагаем ниже на 20-30 см.
Вернуться к оглавлениюМонтаж колец, подводка труб
Подводка труб к септика.Катить кольца по поверхности запрещено, от такой транспортировки появляются трещины. К монтажу стоит привлечь специализированную технику, которая обеспечит кольцам подачу в вертикальном положении. Перед установкой стоит подготовить основание: песчаная подушка высотой в 30 см и бетонированная стяжка высотой в 20 см. Основание предотвращает попадание стоков в почву.
Стяжку можно заменить цельной бетонной плитой или кольцами с бетонным дном. Однокамерные септики не бетонируются, достаточно дренажной подушки.
Герметизация
На забетонированное дно ставятся кольца. В кольце пробиваются отверстия для переливной трубы, тщательно заделываются цементом соединительные линии. Для наружной отделки используют обмазочные защитные растворы. Если есть финансовый потенциал, стоит купить пластиковые цилиндры и поставить внутрь колодца для предотвращения попадания загрязнений в почву. Можно начинать этап гидроизоляции.
Вернуться к оглавлениюГидроизоляция
Защита конструкции от проникновения воды – пожалуй, самый ответственный этап. Несмотря на убеждение, что бетон воду не впитывает, производится полная гидроизоляция колодца. Жидкое стекло, битумная или полимерная мастика, бетонная смесь с добавками – отлично подходят для выполнения ответственной работы. Тщательно обрабатываются соединения колец.
Вернуться к оглавлениюПерекрытие и засыпка колодца
Завершающий фактор основных работ – установка перекрытий на кольцах.
Накрываются емкости бетонной плитой с отверстием под люк. Засыпают колодец ранее вынутой землей, смешанной с песком. Равномерно распределяют по всей поверхности и тщательно уплотняют.
Некоторые полезные советы
Решив выкопать септик из бетонных колец своими руками, позаботьтесь о схеме будущей канализации, соблюдайте очередность этапов монтажа и ознакомьтесь с некоторыми советами напоследок:
- Для устройства канализации выбирайте самое низкое место своего участка.
- Не забывайте очищать сборный колодец, используя специальный транспорт.
- При установке, кольца лучше скрепить металлическими пластинами, что защитит от движения грунта.
- Позаботьтесь о вентиляции, выведите трубу над землей.
Создание автономной канализации самостоятельно существенно сэкономит семейный бюджет, а соблюдение технологий избавит от проблем при эксплуатации.
Септик | SSWM — Найдите инструменты для устойчивой санитарии и управления водными ресурсами!
Информационный бюллетень Корпус блока
Септик должен иметь как минимум две камеры из бетона или кирпича. Также доступны сборные бетонные кольца, септики из ПВХ или стекловолокна, которые в некоторых случаях могут быть менее дорогими (WSP 2008). Первая камера должна составлять не менее 50% от общей длины (SASSE 1998), а когда есть только две камеры, она должна составлять две трети общей длины.Большинство твердых частиц оседает в первой камере. Перегородка или перегородка между камерами предназначена для предотвращения утечки накипи и твердых частиц вместе со сточными водами. Выпускная труба Т-образной формы, нижнее плечо которой опускается на 30 см ниже уровня воды (SASSE, 1998), дополнительно снижает выброс накипи и твердых частиц.
Со временем анаэробные бактерии и микроорганизмы начинают анаэробно переваривать осевший ил, превращая его в CO 2 и CH 4 (биогаз) и некоторое количество тепла.
Оптимальная физическая обработка седиментацией происходит тогда, когда поток ровный и ненарушенный. Биологическая очистка путем анаэробного сбраживания оптимизируется за счет быстрого и интенсивного контакта между новым притоком и старым илом, особенно когда поток турбулентный. В зависимости от того, как новый поток проходит через резервуар, преобладает различный лечебный эффект. При турбулентном потоке разложение взвешенных и растворенных твердых частиц начинается быстрее; однако со сточными водами выбрасывается больше взвешенных твердых частиц.Это приводит к появлению неприятных запахов, так как активные твердые вещества, которые не полностью ферментированы, покидают резервуар (SASSE 1998). Контакт и, следовательно, разрушение происходит медленнее, когда поток менее турбулентный, но также меньше взвешенных твердых частиц выходит из резервуара. Необходимо дать выход газам, образующимся во время анаэробного сбраживания. Если дренажная система дома или другого здания имеет вентиляционную трубу на верхнем конце, газы могут выходить из септика по сточным канавам.
Если дренажная система не вентилируется, необходимо предусмотреть вентиляционную трубу с экраном от самого септика (ВОЗ, 1992).
Доступ ко всем камерам (через порты доступа) необходим для обслуживания. Септики должны вентилироваться для контролируемого выброса пахучих и потенциально вредных газов.
Конструкция септика зависит от количества пользователей, количества используемой воды на душу населения, среднегодовой температуры, частоты очистки от шлама и характеристик сточных вод (SASSE 1998).Обычно все камеры имеют одинаковую глубину (от 1,5 до 2,5 м), но иногда первая камера делается глубже других. Приблизительно от 80 до 100 л должно быть обеспечено на одного внутреннего пользователя (SASSE 1998), но большинство стран устанавливают национальный стандарт объема резервуаров на одного внутреннего пользователя. Для получения помощи по определению размеров септика, упражнение дано в Eawag Sandec 2008, а таблицы Excel доступны в SASSE 1998.![]()
Время удерживания должно составлять 48 часов для достижения умеренной степени очистки.[no-ecompendium
Септик, в который поступает черная и серая вода из корпуса (слева), и септик, собирающий сточные воды из нескольких корпусов в качестве первичной очистки перед канализационной системой малого диаметра (справа). Источники: Агентство по охране окружающей среды США (2014 г.) и SANIMAS (2005 г.)Септик удалит от 30 до 50% БПК (биологической потребности в кислороде), от 40 до 60% общего содержания взвешенных веществ (общего содержания взвешенных веществ) (ЮНЕП 2004) и приводит к снижению уровня E. coli (бактерии-индикатор фекалий) на 1 логарифм (TILLEY et al.2008), хотя эффективность сильно различается в зависимости от поступающей концентрации и климатических условий. Время удерживания должно составлять 48 часов для достижения умеренного лечения.
Aquaprivy
Вариант септика называется Aquaprivy. Это простой резервуар для хранения и отстойника, который находится прямо под унитазом, чтобы экскременты попадали в него по трубе.
Дно трубы погружено в жидкость в резервуаре, образуя водяной затвор для предотвращения утечки мух, комаров и запаха (ВОЗ, 1992).Бак функционирует как септик. Сточные воды обычно просачиваются в землю через яму для замачивания, и накопившиеся твердые частицы (ил) необходимо часто удалять (ВОЗ, 1992 г.). В любом случае скопившийся ил необходимо обработать. Aquaprivy имеет низкую лечебную эффективность.
Индивидуальные бытовые системы очистки сточных вод — Публикации
Бытовые сточные воды попадают в септик, который отделяет твердые частицы от жидкостей.Твердые частицы удерживаются в септике, а жидкости транспортируются к месту окончательной обработки почвы. Септик — это «биореактор», в котором микроорганизмы расщепляют органические вещества сточных вод на жидкости, газы и твердые частицы. Газы отводятся через вентиляционную трубу дома. Твердые вещества состоят как из накипи, так и из шлама. Накипь легче воды и всплывает на поверхность в септике.
Твердые части тяжелее воды и опускаются на дно резервуара. Бактерии питаются отходами, и фракция, которая не может быть разложена, называется «илом».«Ил накапливается на дне септика, и его необходимо периодически удалять.
Пять частей системы отвода сточных вод: (1) водопровод дома, (2) канализационная линия от дома к септическому резервуару, (3) септик, (4) выпускная канализационная труба из септика и (5) ) установка окончательной обработки почвы, которая может быть блоком поглощения почвы или лагуной. Все индивидуальные системы очистки сточных вод должны соответствовать требованиям раздела 62-03 1-03 Административного кодекса штата Северная Дакота. Городские / окружные отделы здравоохранения или медицинские округа нескольких округов требуют разрешения перед строительством новой домашней системы очистки сточных вод или при ремонте существующей системы.Во время процесса планирования и перед началом строительства уточните местные требования в местном административном офисе, который занимается системами сточных вод.
Независимо от того, нужно ли вам разрешение, забота об основных вопросах здоровья человека требует, чтобы расположение отдельных компонентов домашней канализационной системы соответствовало определенным требованиям. Например, септик и почвопоглотитель следует размещать на расстоянии не менее 100 футов от любого частного колодца глубиной менее 100 футов и не менее 50 футов от колодцев глубиной более 100 футов.Общепринятые безопасные расстояния показаны в таблице 1.
После установки системы очистки сточных вод составьте карту установки. Измеряйте и записывайте расстояния от септика, очистного резервуара и дренажного поля до надземных объектов, таких как здания, углы забора или большие деревья. Затем, после того, как территория зарастает травой, вы все еще можете найти составные части септической системы.
Домашний водопровод для канализации
Сантехническая система дома включает сточные трубы, вентиляционные трубы и водоотделители (рис. 1).
Домашняя сантехника и домашние системы очистки сточных вод должны соответствовать Сантехническому кодексу штата Северная Дакота. Следование этому кодексу гарантирует, что водопроводная система будет безопасной и правильно работать.
Рисунок 1. Сантехника дома включает в себя сливные и вентиляционные трубы, а также сантехнику.
Сточные и вентиляционные трубы обычно представляют собой одну и ту же трубу, при этом сточные воды проходят вниз, а газы поднимаются по трубе. Вертикальная труба диаметром 3 или 4 дюйма служит основной трубой для удаления отходов, водяного пара и газов из дома.Основная труба также действует как отвод газов, которые собираются в септике. Газ из септика имеет неприятный запах, может вызвать серьезное заболевание, а в некоторых ситуациях может быть взрывоопасным. В холодную погоду газы, выходящие из трубы, содержат водяной пар, который образует слой инея, который может стать достаточно толстым, чтобы закрыть конец трубы.
Чрезмерный снег на крыше также может заблокировать вентиляционную трубу. Закрытие вентиляционной трубы препятствует правильному дренажу приспособлений. Вентиляционная труба, выступающая над крышей, должна быть изолирована, чтобы не допустить, чтобы мороз и снег закрывали ее.
Водоотделитель должен быть установлен на сливной линии между каждым приспособлением и основной трубой. Уловитель предотвращает попадание канализационных газов в дом через светильники. Без вентиляционной трубы полный поток сточных вод в дренажной линии мог бы откачивать воду из сифонов и пропускать канализационные газы в дом. Иногда, в очень ветреную погоду, давление ветра на вентиляционную трубу может выталкивать канализационный газ через уловитель. Правильная вентиляция, установленная в соответствии с правилами сантехники, предотвратит эту проблему.
В штабеле необходима соответствующая очистка, чтобы можно было обслуживать и чистить водопровод и канализацию. Один очиститель следует установить у основания трубы, а второй — в точке выхода канализационной трубы из дома.
Одной очистки может быть достаточно, если штабель находится рядом с местом выхода канализации из здания.
Чугунные или медные водосточные системы можно найти в старых домах. В большинстве новых домов используются пластиковые канализационные трубы, указанные в нормах водоснабжения. При работе в старых домах избегайте прямого соединения медных труб с железом, поскольку в железе могут образоваться небольшие протечки из-за гальванического воздействия.Используйте изолированные соединители между медной и железной трубой, чтобы уменьшить эту проблему.
Домашняя канализационная труба должна иметь уклон от 1 до 2 процентов. Это падение примерно на 1-2 дюйма с 8 футов. На слишком плоском уклоне жидкость будет замедляться, позволяя твердым частицам осесть в канализационной трубе. На слишком крутом уклоне жидкости будут стекать с твердых частиц.
Канализационная линия от дома до септика может быть пластиковая канализационная труба с клеевым соединением или чугунная с хомутами из нержавеющей стали или свинцовыми соединениями.
При использовании пластиковой трубы она должна иметь номинальное давление, равное Таблице 40 или выше. Стыки необходимо проклеить так, чтобы они были водонепроницаемыми и не допускали проникновения корней.
Отводная канализационная труба дома должна быть диаметром не менее 4 дюймов. Эта труба должна иметь равномерный уклон, без выступов и падений. Обычно иней скапливается в выпускной канализационной трубе сразу после того, как труба проходит через стену подвала или под ней. Если канализационная труба дома находится выше линии замерзания, эту проблему можно исправить, установив на трубу изоляцию из жесткого пенопласта толщиной 2 дюйма во время процесса установки.Изоляция из жесткого пенопласта должна выходить не менее чем на 1 фут с каждой стороны трубы. Изоляция обычно не требуется, если канализационная труба в доме находится на глубине более 4 футов ниже поверхности земли.
Не делайте резких изгибов в канализационной системе дома. Когда необходимы изгибы под 45 или 90 градусов, используйте длинные изгибы (с длинным радиусом), чтобы змея сантехника могла пройти через канализационную линию.
Если у вас нет длинных отводов, используйте несколько отводов на 22 с половиной градуса.
Никогда, ни при каких обстоятельствах не допускайте сброса сточных вод из цокольного этажа в канализацию дома. Эта вода перегрузит септическую систему. Это может вызвать обратное попадание воды и сточных вод в дом. Слить воду с фундамента подвала в отстойник. Установите отстойник и откачайте воду из дренажного поля.
Септики
Септики используются для очистки сточных вод на предприятии более 120 лет. Септик может иметь одно или несколько отсеков. Одно- и двухкамерные септики обычно используются с индивидуальными системами очистки бытовых сточных вод.Хозяйственные сточные воды попадают в септик по отводной канализационной трубе дома (рисунок 2). После прохождения через входную перегородку твердые частицы отделяются от жидкости, поскольку сточные воды медленно проходят через септик. Некоторые твердые частицы оседают на дно резервуара, а другие плавают в слое накипи наверху.
Бактериальное действие частично разлагает твердые вещества.
Рисунок 2. Типовой септик. Ил накапливается на дне, а пена плавает на поверхности жидкости.
Материал в септике разделяется на три отдельных слоя:
- Верхний слой плавающей накипи
- Средняя жидкостная зона
- Нижний слой ила
Слой накипи состоит в основном из кулинарных жиров и масел, мыльной пены и продуктов разложения, которые легче воды. Наибольшая бактериальная активность проявляется в слое ила, который состоит из твердых частиц тяжелее воды.
Жидкость, сброшенная из септика, называется сточными водами.Сточные воды из септика, содержащегося в надлежащем состоянии, слегка мутные и содержат мелкие взвешенные твердые частицы, бактерии и питательные вещества. Стоки септика нельзя сбрасывать непосредственно на поверхность земли или в поверхностные воды . Профессиональные санитары называют сточные воды на поверхности земли «дневным освещением».
Сточные воды человека на поверхности земли могут быть источником опасных заболеваний, передаваемых через воду, и производить неприятные запахи. Сточные воды должны доставляться на правильно спроектированное и построенное водосливное поле или лагуну для обработки.
Все бытовые сточные воды должны идти в септик. Бытовые сточные воды иногда называют «черной водой» или «серой водой», в зависимости от того, из какого прибора или приспособления они поступают. Независимо от источника, не позволяйте воде и другим подобным отходам проходить через септик. Серая вода, содержащая мыло или жир, направляемая прямо в водосток, быстро закупоривает поры почвы.
Калибр
Септики рассчитываются в соответствии с вместимостью жидкости, а не общей вместимостью.Вместимость септика по жидкости — это объем сточных вод, которые он удерживает ниже выхода резервуара. Емкость по жидкости часто называют «рабочей емкостью» септика. Для дома необходимая вместимость зависит от количества спален, а не от количества человек в доме на момент строительства.
Каждая спальня может вместить двух человек, поэтому в стандартном доме с тремя спальнями может быть шесть человек, производящих бытовые сточные воды.
Расположение и установка
Септик должен находиться на расстоянии не менее 10 футов от дома.Бак должен быть выровнен прямо от точки выхода канализационной трубы из дома. Важно установить резервуар ровно и без наклона в любом направлении. Для откачки и очистки септик должен располагаться возле проезжей части или другой подъездной дороги. Большинство септических насосов перевозят от 50 до 100 футов шланга, поэтому резервуар должен быть доступен с такого расстояния. Выберите место вдали от зон с интенсивным движением транспортных средств. Никогда не размещайте септики под тротуарами или патио, где резервуар недоступен для откачки.
Домашняя система очистки сточных вод работает лучше всего, и ее легче обслуживать, если и септик, и дренажное поле расположены близко к поверхности земли. Неглубокий септик и дренажное поле обеспечивают легкий доступ к компонентам, а дренажное поле более эффективно очищает сточные воды.
Для новых домов Санитарный кодекс Северной Дакоты рекомендует использовать отстойник в подвале (рис. 3), предназначенный для обработки сточных вод, если септик и дренажное поле могут работать под действием силы тяжести, а в доме есть подвальные туалеты и приспособления.Для этих типов систем канализационная труба выходит из дома через стену подвала. Отстойник поднимает воду в канализационную трубу. Если канализационная труба дома находится менее чем на 4 фута ниже поверхности земли, ее необходимо изолировать в траншее для защиты от замерзания. Готовые к установке станции отстойников для сточных вод в подвале можно приобрести в большинстве хозяйственных магазинов и магазинов бытовой техники.
Рисунок 3. Установка неглубокого септика.
Наличие лифтового насоса в подвале имеет несколько основных преимуществ.Во-первых, это позволяет сточным водам из верхней части дома самотеком поступать в септическую систему. Это оказалось ценным во время наводнения или отключения электроэнергии.
Во-вторых, домовладельцу не нужна подъемная станция, которая перекачивает все сточные воды из дома. В-третьих, отстойник в подвале включается только при использовании подвальных приспособлений. Наконец, он доступен для обслуживания и ремонта.
Во многих старых домах септик установлен ниже уровня подвала. В новых домах может быть глубокий септик, p , при отсутствии высокого уровня грунтовых вод (Рисунок 4) .При отсутствии подходящего уклона необходимо установить подъемно-насосную станцию на выпускной стороне септика, чтобы можно было установить дренажное поле на небольшой глубине. В областях, где уровень грунтовых вод может подниматься выше верха септика, домовладельцы должны герметизировать отверстия для впускных и выпускных труб, любые стыки, крышку септика и доступ к люкам, чтобы они были водонепроницаемыми.
Рисунок 4. Установка глубокого септика. Подходит для использования там, где нет высокого уровня грунтовых вод.Всегда уточняйте у производителя резервуара, имеет ли резервуар несущую способность для обработки покрывающего грунта.
Сточные воды из дома и бактерии обычно обеспечивают достаточно тепла, чтобы не допустить замерзания септика, даже если он расположен выше глубины промерзания. Когда верхняя часть септика устанавливается на расстоянии не более 2 футов от поверхности земли, покрытие верха резервуара 2-дюймовым жестким пенопластом поможет сохранить тепло в септике. Всякий раз, когда система строится выше глубины промерзания, очень важна прокладка всех канализационных труб с равномерным уклоном, без выступов и падений.
Строительство
Септики построены из устойчивых к коррозии и гниению материалов. При правильной установке они будут водонепроницаемыми в течение длительного времени (30 лет и более). Чаще всего используются сборные железобетонные резервуары. Однако резервуары также могут быть построены из монолитного бетона или из бетонных блоков с сердцевиной, заполненной бетоном, армированным арматурой. Резервуары из бетонных блоков должны быть покрыты как минимум двумя слоями бетонной штукатурки.
Также доступны септики из стекловолокна и прочного пластика.Их необходимо устанавливать, тщательно следуя инструкциям производителя, чтобы они выдерживали давление почвы и воды.
Септики должны быть рассчитаны на глубину жидкости не менее 3, но не более 6 1/2 футов. Расстояние по горизонтали между входом и выходом прямоугольных резервуаров должно быть примерно в три раза больше ширины резервуара. Поступающие твердые частицы будут оседать на этом расстоянии и не вытекать в дренажное поле. Круглые резервуары должны иметь внутренний диаметр не менее 5 футов.
Глубина жидкости в септике — это расстояние от выпускной трубы до дна резервуара. Вход септика должен быть как минимум на 3 дюйма выше выхода. В баке должно быть место над уровнем жидкости для скопления накипи. Минимум 20 процентов глубины резервуара для жидкости следует оставить в качестве надводного борта между выходным уровнем и крышкой септика. Для большинства выпускаемых танков это будет около 12 дюймов.
Перегородки на входе и выходе
Входные и выходные перегородки являются важными частями правильно установленного септика (Рисунок 2).
Входная перегородка направляет поступающие сточные воды вниз в жидкую зону септика. Выходная перегородка позволяет сточным водам выходить из жидкой зоны, удерживая пену в резервуаре. Многие новые септики имеют съемный фильтр, встроенный в выпускную перегородку. Фильтр предотвращает попадание неразложимых материалов (презервативов, гигиенических салфеток и других предметов) в сливное поле.
Перегородки могут быть выполнены как неотъемлемая часть септика или прикреплены к резервуару после строительства.Пластиковые тройники диаметром четыре дюйма часто используются в качестве перегородок (рис. 2, 3 и 4).
Перегородки должны быть прочными и устойчивыми к коррозии. Прочный бетон, стекловолокно или пластик — отличные материалы. Никогда не используйте стальные перегородки, так как они быстро разъедают. Если перегородки закреплены болтами, используйте только болты из нержавеющей стали.
Нижняя часть входной перегородки должна быть не менее чем на 6 дюймов ниже поверхности жидкости, когда резервуар полон.
Нижняя часть выпускной перегородки должна быть не менее чем на 18 дюймов ниже поверхности жидкости.Верхняя часть перегородок должна быть открыта и выступать не ближе 1 дюйма к крышке бака. Это необходимо для надлежащего отвода газов из резервуара.
Отверстия для доступа в септических резервуарах
Доступ к септикам необходим для осмотра и периодической очистки. Один люк диаметром не менее 15 дюймов должен быть наверху резервуара. Люк должен иметь бетонное покрытие с землей толщиной не менее 6 дюймов, но не более 12 дюймов. Если верхняя часть резервуара находится более чем на 12 дюймов ниже уровня земли, к верхней части резервуара необходимо прикрепить удлинители, чтобы крышка находилась в пределах 12 дюймов от поверхности земли.В зонах с высоким уровнем грунтовых вод надставки и крышка должны быть водонепроницаемыми. Если доступ к люку находится на уровне земли, он должен иметь фиксирующую скобу или закрываться цепью с помощью висячего замка (Рисунок 5).
Рис.
5. Способы крепления крышки люка для предотвращения несанкционированного проникновения.
Чтобы проверить работу септика, резервуар должен иметь два смотровых отверстия, каждое от 4 до 6 дюймов в диаметре. Один должен находиться над входной перегородкой, а другой — над выходной перегородкой (Рисунок 2).Это позволяет легко проверить, правильно ли поступают сточные воды в резервуар или из него, и не произошло ли закупорки. Смотровые люки должны быть закрыты на уровне земли или чуть выше. Колпачки предотвращают утечку газа и не позволяют детям ронять предметы в бак.
Септики необходимо регулярно чистить, чтобы удалить ил, который скапливается на дне резервуара. Обратите внимание, что для очистки резервуара необходимо использовать люк, а не смотровые окна. Для большинства домов уборка каждые три года является удовлетворительной.Однако в доме с измельчителем мусора, которым пользуются жители, может потребоваться интервал очистки от одного до двух лет. Измельчители мусора увеличивают попадание органических веществ в септик.
Резервуары
Некоторые дома находятся в районах, где не работают септик и дренажное поле. Наиболее частыми причинами являются места с высоким уровнем грунтовых вод, коренными породами близко к поверхности и очень маленькими участками с недостаточной площадью водосбора. Часто единственным вариантом является использование сборного резервуара для бытовых сточных вод (Рисунок 6).Люди с резервуарами для хранения воды должны соблюдать правила экономии воды, чтобы резервуар не наполнялся быстро. Резервуары для хранения необходимо откачивать на регулярной основе, а сокращение ежедневного использования воды в доме будет способствовать снижению годовых затрат на откачку.
Рисунок 6. Сборный бак для бытовых стоков. Необходимо периодически откачивать кровь (обычно каждые две недели или месяц).
Сборный бак должен быть водонепроницаемым и вмещать не менее 400 галлонов на каждую спальню в доме.Однако для любого дома минимальный размер резервуара должен вмещать не менее 1000 галлонов.
Для обычного дома с тремя спальнями, в котором проживают четыре человека, резервуар емкостью 1200 галлонов обеспечит хранение на срок от шести до 10 дней. Сборный резервуар должен быть расположен так, чтобы он был доступен для насосной тележки при любых погодных условиях и где случайные разливы во время перекачки не вызовут неприятных ощущений. Резервуар должен быть ровным и размещен на твердой, устойчивой почве, способной выдержать вес полного резервуара. Стояк сборного бака должен выходить на поверхность.Крышка должна иметь замок или закрываться цепью для предотвращения проникновения в нее детей или других посторонних лиц (Рисунок 5).
Поскольку резервуар водонепроницаем, он может попытаться всплыть из земли сразу после откачки, если местный уровень грунтовых вод находится в пределах 3 футов от поверхности земли. В местах с высоким уровнем грунтовых вод могут потребоваться земляные анкеры. Лучше всего держать резервуар над уровнем грунтовых вод и откачивать сточные воды из дома, если это необходимо.
Может потребоваться установка счетчика для измерения расхода воды в доме и, следовательно, количества воды, поступающей в сборный резервуар.Периодически проверяя счетчик воды, вы сможете определить, когда резервуар заполнен. Лучшим методом будет использование сигнализации о наводнении. Они могут быть электронными с удаленным считывателем в доме или плавающим индикатором, который выступает над поверхностью земли.
Насосные станции
Насосные станции необходимы в ситуациях, когда сточные воды не могут течь под действием силы тяжести и их необходимо поднимать к месту назначения. Во многих новых домах используются лифты в подвалах, а снаружи дома сточные воды самотеком проходят через септик к водостоку.Многие производители изготавливают комплектные, готовые к установке насосные станции для подвалов. Многие старые системы на месте имеют насосные станции, которые перекачивают всю воду, поступающую из септика, в канализацию (рис. 7). Перекачивание требуется при установке глубокого септика и неглубокой установки абсорбции почвы или когда блок абсорбции почвы находится на более высоком уровне, чем септик.
Система поглощения грунта насыпи потребует насосной станции. Насосная станция состоит из двух основных частей — водонепроницаемого резервуара и насосной системы, включающей насос, двухпозиционные переключатели, систему сигнализации и проводку.
Рис. 7. Камера откачки сточных вод септика. Работоспособность должна составлять около четверти суточного объема сточных вод. Резерв плюс рабочая мощность должны равняться примерно суточному объему сточных вод. Это дает время исправить любые проблемы с перекачкой.
Танки
Бак с насосом должен быть водонепроницаемым. В противном случае грунтовые воды могут просочиться в резервуар, а избыток воды легко перегрузит дренажное поле. Независимо от того, находится ли насосная станция в подвале или снаружи, резервуар должен иметь достаточный объем ниже впускной трубы, чтобы вмещать около суток сточных вод.Резервуар должен вмещать примерно четверть дневного объема сточных вод между уровнями включения и выключения регулятора насоса.
Некоторая резервная емкость в перекачивающем баке должна быть доступна на случай отказа насоса. Разумная резервная мощность составляет три четверти расчетного дневного объема сточных вод.
Например, для дома с тремя спальнями с проектным объемом 450 галлонов в день (gpd) требуется резервуар с рабочим объемом около 110 галлонов (объем между подачей и откачкой) и резервной емкостью около 330 галлонов.Рабочий объем плюс резервная емкость равняются примерно 450 галлонам или суточному хранению сточных вод.
Управление насосом часто имеет ограниченный диапазон между настройками включения и выключения. Обычны диапазоны от 12 дюймов до 30 дюймов. В следующей таблице приведены некоторые объемы круглых резервуаров в галлонах на фут глубины.
Вместимость прямоугольных резервуаров в галлонах на фут глубины можно рассчитать, умножив длину в футах на ширину в футах на 7,5. Например, прямоугольный резервуар с внутренней шириной 4 фута и внутренней длиной 5 футов имеет емкость 4 x 5 x 7.
5 или 150 галлонов на фут глубины. С 12-дюймовым включением-выключением для насоса этот резервуар легко справится с домом с тремя спальнями. Для круглого резервуара потребуется диаметр не менее 48 дюймов, но если бы параметр включения / выключения был 30 дюймов, можно было бы использовать резервуар диаметром от 30 до 36 дюймов.
Материалы резервуаров насосной станции включают бетон (аналогично сборным резервуарам), секции бетонных водопропускных труб и готовые к установке пластиковые блоки. Металлические резервуары служат недолго, потому что сточные воды очень агрессивны.Установки с открытым дном, такие как секции бетонных водопропускных труб, должны иметь водонепроницаемый монолитный бетонный пол. Все стыки между секциями водопропускных труб должны быть герметизированы, чтобы они были водонепроницаемыми. Флотация может быть проблемой для сборных резервуаров в условиях высокого уровня грунтовых вод. В этом случае могут потребоваться грунтовые анкеры для предотвращения движения вверх.
Надежная крышка люка должна быть расположена в верхней части перекачивающего резервуара. Крышка должна быть запираемой, чтобы дети не могли ее снять.
Канализационные насосы
Многие производители делают подъемные насосы специально для сточных вод. Подъемные насосы должны быть прочными и устойчивыми к коррозии, иметь герметичные двигатели и электрические соединения. Они должны выдерживать кислотную и коррозионную среду, присутствующую в резервуарах для сточных вод. Водосливные насосы, которые продаются в бытовых и хозяйственных магазинах для дренажной воды подвала, не рекомендуется использовать на станциях канализационных подъемников. Пьедестальные отстойники с открытым двигателем не должны использоваться, кроме как в аварийной ситуации.
Все подъемные насосы предназначены для погружения. Корпуса насосов обычно изготавливаются из литой бронзы, чугуна и пластика. Все болты, гайки и винты изготовлены из нержавеющей стали. Насос должен быть установлен на бетонном блоке или пьедестале на дне резервуара, чтобы песок и другие твердые частицы не попадали в насос и не отправлялись на дренажное поле.
Производительность насоса оценивается по тому, какой расход может быть произведен по сравнению с величиной напора (вертикальный подъем плюс потери на трение), который он поднимает. Например, насос с двигателем мощностью 3/4 лошадиных сил может перекачивать 40 галлонов в минуту (галлонов в минуту) при подъеме на 15 футов.При подъеме на 25 футов тот же насос будет иметь расход всего 15 галлонов в минуту.
Скорость потока обычно не является ограничивающим фактором при выборе насоса при перекачке в траншеи или абсорбционный слой. Однако максимальная подъемная способность насоса может быть ограничивающим фактором. Всегда определяйте вертикальный подъем, измеряя расстояние от нагнетания насоса до выпускного отверстия трубы в дренажном поле. Выберите насос с максимальной грузоподъемностью как минимум на 5 футов выше этой разницы в высоте. Используйте гибкую пластиковую трубу диаметром 1¼ дюйма или больше от насосной станции до дренажного поля.Пластиковая труба должна быть заглублена ниже глубины промерзания с равномерным уклоном обратно в насосную камеру.
Зимой вода в трубопроводе должна сливаться обратно в насосную станцию, чтобы предотвратить замерзание. Низкие участки неглубокой заглубленной трубы замерзнут.
При выборе насоса для системы абсорбции грунта насыпи выберите размер насоса для подачи примерно 7,5 галлонов в минуту на 100 квадратных футов площади каменного дна. Например, насыпь для дома с тремя спальнями имеет площадь каменного дна около 300 квадратных футов, поэтому скорость потока насоса должна составлять около 27 галлонов в минуту.Насос должен иметь такую производительность при требуемом напоре. Требуемый напор будет равен разнице высот в футах между выпускным отверстием насоса и насыпью, плюс потери на трение в трубе плюс 5 футов. Для насыпных систем используйте пластиковую трубу диаметром не менее 1,5 дюйма. При скорости откачки 27 галлонов в минуту потери на трение в трубе будут составлять около 5 футов потери напора на 100 линейных футов трубы.
Пример: необходимо выбрать насос для подъема 27 галлонов в минуту сточных вод из насосной камеры в насыпь для дома с тремя спальнями.
Насыпь находится на расстоянии 200 футов от резервуара насоса и на 10 футов по вертикали выше отметки слива насоса. Насос должен преодолевать напор 10 футов (для разницы высот) + 10 футов (для потерь на трение) + 5 футов = 25 футов. Выбранный насос должен подавать примерно 27 галлонов в минуту на высоте примерно 25 футов.
Установите насос с помощью муфты или быстроразъемной муфты рядом с верхней частью бака насоса. Это упрощает установку и снятие насоса. Не устанавливайте обратный клапан в выпускной трубе от насосной станции.Если в насосе есть встроенный обратный клапан, снимите его. Оберните выпускную трубу петлей с дренажным отверстием диаметром ¼ дюйма, просверленным в нижней точке петли. Сливное отверстие позволяет воде из трубы стекать обратно в резервуар насоса после выключения насоса.
Управление насосом
Все насосы для сточных вод необходимо включать и выключать в зависимости от уровня жидкости в резервуаре. Наиболее распространенным элементом управления включением / выключением насоса является переключатель контроля уровня ртути, запечатанный в стойком к стоку пластиковом или резиновом баллоне (Рисунок 8).
Длина шнура между точкой крепления и ртутной лампой определяет уровень воды, на котором насос включается и выключается.
Рисунок 8. Органы управления насосом уровня жидкости. Все электрические соединения должны находиться вне насосной камеры и на поверхности земли.
Электромонтажник должен выполнить монтаж всей электропроводки насосной станции. Электрические розетки нельзя устанавливать внутри резервуара насоса. Нормы водоснабжения штата требуют, чтобы все электрические соединения находились за пределами резервуара насоса.В переключателях управления вкл. / Выкл. Обычно используются дополнительные вилки, в которых шнур управления подключается к электрической розетке, а электрический шнур насоса подключается к вилке шнура управления. Всепогодный бокс за пределами перекачивающего резервуара должен использоваться для розетки, обслуживающей насос.
Насосы должны иметь систему аварийной сигнализации, чтобы предупреждать домовладельца, если насос перестает перекачивать.
Система аварийной сигнализации обнаруживает отказ насоса, когда вода поднимается выше регулятора подачи насоса. Датчик представляет собой еще один переключатель контроля уровня ртути в водонепроницаемой лампочке.Обычно он устанавливается на 3–6 дюймов выше, чем датчик уровня воды при подаче насоса. Цепь сигнализации отказа насоса должна быть установлена в электрической цепи отдельно от насоса.
Домовладелец может выбрать один из нескольких методов сигнализации, чтобы предупредить об отказе насоса. Распространены выносные сигнализации, расположенные в удобном месте в доме или гараже. Их можно запрограммировать так, чтобы они издавали звук, похожий на дымовой датчик, мигали светом или звонили по телефонному номеру. Многие аварийные сигналы находятся на баке насоса на опоре и используют либо световой сигнал, либо зуммер, чтобы предупредить о неисправности насоса.Некоторые используют свет, направленный на окно в доме.
Выпускная канализация септика
Выпускная канализационная труба переносит сточные воды из септика в насосную камеру или дренажное поле.
Выпускная канализационная труба должна быть водонепроницаемой на выходе из септика и иметь диаметр не менее 4 дюймов. Пластиковая труба (ПВХ или АБС) должна быть марки 40. Пластиковая труба с меньшей толщиной стенки часто оседает при оседании почвы. Укладывайте трубу с минимальным уклоном 1/8 дюйма на фут.Для выпускной канализационной трубы не требуется максимального уклона, поскольку по ней проходит только жидкость. Выпускная канализационная труба должна быть проложена ровно, без углублений, где сточные воды могут собираться и замерзать.
Системы поглощения почвы
Система поглощения почвы должна работать круглый год. Это означает, что он должен проникать в сточные воды во время влажных весен и холодных зим. Сточные воды из септика на 99% состоят из воды, но также содержат биологический материал (мелкие частицы). Дополнительная обработка биологического материала происходит в системе поглощения почвы (рис. 9).Площадь впитывания почвы должна быть такой, чтобы она могла проникать в ежедневный поток сточных вод из дома, а также эффективно разлагать биологические материалы в сточных водах.
Рисунок 9. Расположение зоны биологической очистки под водосборным полем.
Способность почвы обрабатывать и проникать в сточные воды зависит от текстуры и местной гидрологии на глубине, где сточные воды будут попадать в почву. Раньше проводился «перколяционный» тест, и результаты использовались для определения размера системы поглощения почвы.Скорость инфильтрации почвы обычно выражалась в «минутах на дюйм» или mpi. Чем ниже mpi, тем выше скорость инфильтрации. Однако во многих ситуациях тесты на перколяцию оказались ненадежными. В настоящее время многим местным медицинским округам требуется зарегистрированный классификатор почвы для определения текстуры почвы и местной гидрологии грунтовых вод для целей проектирования. Тесты на просачивание все еще принимаются в некоторых медицинских районах или если участок дома был создан с насыпной почвой. Процедура проведения теста на перколяцию приведена в Приложении А.
Поглощающие траншеи
Траншеи — наиболее распространенное и эффективное дренажное поле.
Их можно использовать в районах, где исторический высокий уровень грунтовых вод находится как минимум на 24 дюйма (2 фута) ниже дна траншеи. Однако предпочтительным является расстояние 36 дюймов или более между высоким уровнем грунтовых вод и дном траншеи. Траншеи наиболее подходят для текстуры почвы со скоростью просачивания 60 минут на дюйм (mpi) или меньше (Таблица 3). Траншеи можно использовать на почвах от 61 до 90 м / дюйм, при условии отсутствия высокого уровня грунтовых вод и использования траншей адекватной длины.Для почв со скоростью фильтрации от 61 до 90 миль на дюйм увеличьте площадь траншеи на 25 процентов по сравнению с площадью, необходимой для почвы со скоростью фильтрации 60 миль на дюйм. Для почв со скоростью просачивания более 90 mpi траншеи не должны использоваться в качестве системы поглощения почвы без консультации с местным санитарным врачом.
Площадь (длина и ширина) необходимой абсорбционной траншеи для данного дома и участка основана на среднесуточном потоке сточных вод и текстуре почвы на глубине дна траншеи.
Если текстура почвы смешанная, например, мелкий песок с примесью ила, спроектируйте более мелкую почву. Убедитесь, что построили по крайней мере такое количество поглощающей траншеи. Многие домовладельцы и установщики считают, что это больше траншеи, чем им требуется, и устанавливают меньше траншеи, чтобы сэкономить деньги. Обычно это заканчивается ложной экономией. Система выходит из строя в течение нескольких лет, и затем необходимо провести дополнительную работу по ее обновлению. Рекомендации для дна траншеи основаны на долговечной системе обработки, а не на временном решении.Требования к площади дна траншеи снижаются со временем из-за накопления биологического материала на дне траншеи.
Строительство траншеи
Траншеи сооружаются с помощью экскаватора-погрузчика. Обычно используется ковш шириной от 24 до 36 дюймов. Чем больше ковш, тем шире траншея, что увеличивает площадь дна траншеи и уменьшает длину траншеи. Не допускайте попадания колесных следов в траншею, так как уплотнение будет уплотнять поверхность, что значительно снижает эффективность абсорбционной траншеи.
Дно каждой траншеи должно быть ровным по всей длине. Выровненное дно траншеи позволяет стокам равномерно просачиваться по всей длине. Если дно траншеи имеет уклон, все стоки будут собираться в низинах. Это может привести к преждевременному выходу из строя или дневному освещению сточных вод. В большинстве ситуаций максимальная длина любой траншеи не должна превышать 100 футов от точки, где сточные воды входят в траншею. Траншея может достигать 200 футов в длину, если сточные воды доставляются в центр.На наклонной поверхности траншеи должны повторять контур уклона, чтобы дно траншеи было ровным по всей своей длине (Рисунок 10).
Рисунок 10. Траншеи построены по контуру склона. Дно траншеи должно быть ровным.
Никогда не сооружайте траншеи в суглинках или глинистых почвах во влажных условиях. На глубине, где будет дно траншеи, возьмите образец почвы и определите влажность почвы. Если почву можно намотать нитью диаметром 1/8 дюйма без разрушения, значит, она слишком влажная, чтобы копать траншеи.
Влажная почва будет уплотняться и размазываться, герметизируя траншею и значительно увеличивая вероятность поломки. Если почва достаточно сухая для строительства, она рассыпется при попытке свернуть ее в нитку.
Каменные траншеи
Траншеи с использованием щебня в качестве опоры для перекрывающих пород могут быть построены от 18 до 36 дюймов в ширину и от 6 до 48 дюймов в глубину. Глубина щебня зависит от глубины траншеи (Рисунок 11) и распределительной трубы. В траншее используйте промытый щебень диаметром от до 2½ дюймов (некоторые поставщики называют его камнем дренажного поля).Промытый камень важен, потому что к большинству горных пород прикреплена мелкая глина. При использовании немытой породы глина будет смыта стоками и окажется на дне траншеи. Это может снизить скорость проникновения и привести к преждевременному выходу из строя. Глубина почвенного покрова над скалой будет зависеть от глубины разводки.
Рисунок 11. Поперечное сечение каменной впитывающей траншеи.
Пластиковая канализационная труба диаметром четыре дюйма с отверстиями диаметром ½ дюйма или более, расположенными на расстоянии 12 дюймов или ближе, используется для распределительной трубы (Рисунок 12).Он доступен в магазинах товаров для дома и в хозяйственных магазинах. Распределительная труба может иметь небольшой уклон (падение на 1-2 дюйма на 100 футов), чтобы помочь распределить сточные воды по всей длине траншеи. На трубе должно быть не менее 2 дюймов каменного щебня. Камень под трубой распределяет сточные воды по дну и боковым стенкам траншеи, позволяя жидкости проникать в почву. Трубу ориентируют в траншее отверстиями вниз. При использовании трубы с двойным рядом отверстий поместите трубу отверстиями вниз в положение «5 часов» и «7 часов».
Рисунок 12. Траншея, засыпанная гравием, с пластиковым ящиком на переднем плане
Камень необходимо накрыть, чтобы предотвратить просачивание почвы и закупорку промежутков между камнями (Рисунок 13).
Можно использовать несколько продуктов. Чаще всего используется красная канифольная бумага или геотекстильная ткань. Также можно использовать слой сена или соломы от 4 до 6 дюймов. Не используйте пластик (черный или прозрачный), чтобы покрыть камни в траншее. Засыпав скалу, засыпьте траншеи землей.Заполните траншеи засыпкой от 4 до 6 дюймов, чтобы обеспечить оседание.
Рисунок 13. Траншея, засыпанная гравием, покрыта геотекстильной тканью.
Траншеи без гравия
В системах траншей без гравия используются пластиковые трубы или камеры (рис. 14-17) вместо щебня для опоры перекрывающих пород. С этими продуктами не требуется камня в траншеях. Системы без гравия становятся все более распространенными, потому что они могут быть установлены меньшим количеством бригад, требуют меньше тяжелого оборудования и обеспечивают больший объем сточных вод в траншее.Как и в любой траншейной системе, дно траншеи должно быть ровным для хорошего распределения сточных вод.
Рис. 14. Поперечное сечение конструкции траншеи без гравия с использованием пластиковой трубы (наружный диаметр 10 или 12 дюймов), заключенной в носок из геотекстильной ткани.
Рисунок 15. Цилиндрическая труба без гравия в неглубоких траншеях. Обратите внимание на покрытие из геотекстиля.
Рис. 16. Поперечное сечение конструкции траншеи без гравия с использованием пластиковой камеры (иногда называемой камерным блоком).
Рис. 17. Бесконтактная система камерного типа, устанавливаемая на очень маленьком участке дома. Обычно камеры используются в траншеях.
Площадь дна траншеи определена по Таблице 3 с использованием 6 дюймов гравийной колонны. Как в трубной, так и в камерной конструкции используется эквивалент траншеи шириной 3 фута. Например, предположим, что мы хотим установить систему траншей без гравия для дома с тремя спальнями с илистым суглинком на дне траншеи.
Из Таблицы 3, необходимая нижняя площадь будет составлять 300 квадратных футов на спальню, что в сумме составляет 900 квадратных футов. Для использования траншеи эквивалентной шириной 3 фута требуется 300 футов траншеи. Мы могли проложить три траншеи длиной 100 футов каждая или четыре траншеи длиной 75 футов каждая.
В системе труб без гравия используются пластиковые гофрированные трубы, покрытые носком из неразлагаемой геотекстильной ткани. Его можно установить в траншеях шириной от 18 дюймов до максимальной глубины 4 фута. Внешний диаметр трубы составляет 12 дюймов, что обеспечивает окружность чуть более 3 футов.Это эквивалентно траншеи шириной 3 фута, потому что зона обработки биоматом образуется на носке снаружи трубы и увеличивает зону инфильтрации. Система камер также имеет максимальную глубину захоронения 4 фута. Конструкция камеры имеет различные варианты ширины от 18 дюймов до 3 футов. Выбор основан на требованиях к участку и структуре почвы.
Распределение сточных вод
Большинство дренажных полей траншей имеют от двух до четырех отдельных траншей, требующих некоторого метода равномерного распределения стоков между траншеями.
Обычно используются два метода: дроп-боксы и распределительные ящики. Отводные боксы используются на наклонных участках, где траншеи выровнены по контуру откоса (Рисунок 9). Распределительные коробки используются на ровной местности, где отметки всех днов траншей примерно одинаковы.
Коробки для выпадения
Капельные бункеры являются предпочтительным методом распределения стоков и могут использоваться на почти ровной или наклонной поверхности (Рисунки 18, 19 и 20). Бункеры обычно изготавливаются из бетона или пластика.У них есть вход, два выхода, которые распределяют сточные воды в траншею, и выход, который направляет перелив в следующий бокс. Входной и выходной патрубки обычно имеют диаметр 4 дюйма для размещения пластиковой трубы. Отводные ящики позволяют полностью использовать траншею до того, как стоки попадут в следующую траншею. Отводные ящики необходимы для траншейных систем, установленных на склонах холмов. Очень важно равномерное распределение стоков по всему дренажному полю.
В противном случае все сточные воды будут собираться в низинах и перегружать почву.Если траншея становится перегруженной и сточные воды выходят на поверхность, выпускные отверстия из отводной коробки могут быть заблокированы, чтобы дать траншеи время для восстановления своей способности проникать сточные воды.
Рис. 18. Отводная коробка, показывающая отметки впускной и выпускной трубы.
Рис. 19. Расположение отводных боксов, используемых для распределения стоков в систему абсорбционных траншей.
Рис. 20. Бетонные отводные боксы, используемые для распределения стоков в траншеи для поглощения.Обратите внимание, что расстояние между траншеями составляет 6 футов, минимальное расстояние разделения. Траншея справа засыпана, а траншея слева готова к засыпке сеном, соломой, необработанной строительной бумагой или геотекстилем.
Распределительные коробки
Распределительные коробки используются только на ровной местности (Рисунок 21).
Распределительные коробки обычно изготавливаются из бетона или пластика. У них есть вход и обычно по три выхода для каждой впитывающей канавки.Входной и выходной патрубки обычно имеют диаметр 4 дюйма для размещения пластиковой трубы. Все выходы из распределительной коробки расположены на одной высоте, поэтому очень важно иметь основание под ящиком из щебня или гравия, чтобы поддерживать его ровно. Однако на практике из-за воздействия мороза или затопления удерживать все выпускные отверстия на одной высоте в течение всего срока службы системы практически невозможно. Если ящик наклонится, траншея, обслуживаемая самым нижним выпускным отверстием, получит наибольшее количество стоков.По этой причине распределительные коробки можно использовать только там, где высота самой нижней траншеи достаточно высока для обратного стока до распределительной коробки без просачивания с поверхности.
Рис. 21. Распределительная коробка, используемая для распределения стоков в систему абсорбционных траншей.
Обычным признаком проблем с распределительной коробкой является то, что почва в одной траншее становится влажной, а в других остается сухой. Чтобы проверить наличие этой проблемы, откройте верх распределительной коробки и проверьте поток воды к выпускным отверстиям.Возможно, вам придется копнуть коробку и снова выровнять ее. После выравнивания ящика выпускное отверстие, ведущее в траншею, которая была мокрой, можно временно перекрыть (две-четыре недели), чтобы траншея могла быть оперена.
Абсорбционные кровати
Поглощающие гряды в основном представляют собой вырытые в почве ямы прямоугольной формы (Рисунок 22). В зависимости от участка дома глубина может составлять от 1 до 4 футов. Их нельзя использовать в местах с уклоном более 6 процентов. Абсорбционные слои не так эффективны при обработке сточных вод, как траншеи, потому что абсорбционные слои имеют меньшую площадь боковых стенок для инфильтрации.Следовательно, площадь дна требуется на 25-50 процентов больше, чем для траншей.
Даже с учетом большей площади дна абсорбционные кровати требуют меньше общей площади двора, чем траншеи, и могут использоваться на небольших участках домов. Текстура почвы и количество спален в доме определяют необходимую площадь дна абсорбционной кровати (Таблица 4).
Рисунок 22. Конструкция и компоновка абсорбционного слоя.
Поглощающий слой следует копать экскаватором.По дну станины нельзя передвигать колесное или гусеничное оборудование. Дно абсорбирующего слоя должно быть ровным во всех направлениях. На дно кровати должно быть помещено не менее 6 дюймов камня. Используйте промытый камень диаметром от до 2½ дюймов. Камень необходимо промыть, чтобы удалить частицы глины. Когда используется немытая порода, глина смывается стоками и оседает на дне пласта. Это может снизить скорость проникновения и привести к преждевременному выходу из строя.
Трубы в абсорбционных слоях обычно изготавливаются из перфорированного пластика диаметром 4 дюйма.
Трубы должны быть ровными, на расстоянии 4–6 футов друг от друга и на расстоянии 1½–3 футов от края кровати. Трубы обычно соединяются на концах, образуя непрерывную петлю, хотя они могут заканчиваться, как показано на Рисунке 22. Четырехходовой тройник будет распределять сточные воды, но также можно использовать распределительную коробку. Все стыки необходимо проклеить. Затем промытую породу помещают над распределительной трубой на глубину от 2 до 4 дюймов. После того, как распределительная труба засыпана камнем, над камнем необходимо установить сепаратор почвы.Допустимы любые из следующих материалов: слой сена или соломы толщиной от 4 до 6 дюймов, необработанная строительная бумага (называемая красной канифольной бумагой) или геотекстиль, специально разработанный для дренажных полей. Накройте грядку слоем верхнего слоя почвы от 6 до 18 дюймов и сформируйте корону, чтобы учесть любое оседание, а также позволить грядке пролить воду. Неглубокие абсорбционные пласты часто имеют постоянную насыпь.
Не сажайте деревья или кустарники поверх абсорбирующей грядки.
Канализационные курганы
Канализационные курганы ведут свое происхождение от первых курганов «НОДАК», которые Дж.Клейтон Рассел и Ричард Витц разработали в 1947 году в Государственном университете Северной Дакоты. На протяжении многих лет конструктивные параметры и формы курганов постоянно менялись по мере появления новых исследовательских данных. Текущие параметры конструкции насыпи позволяют использовать больше воды и использовать другие методы строительства, чем многие предыдущие конструкции.
Насыпь сточных вод — это специальная конструкция дренажного поля, используемая в местах с высоким уровнем грунтовых вод (в пределах 2–3 футов от поверхности) и почвами с низкой скоростью инфильтрации.Насыпь сточных вод использует более высокую скорость инфильтрации поверхностных почв по сравнению с подземными почвами. Над существующей поверхностью земли сооружается насыпь канализации. Насыпь — это, по сути, слой с высокой скоростью инфильтрации, установленный поверх песчаной насыпи, разложенной по существующей земле (Рисунок 23).
Слой с высокой скоростью инфильтрации может быть построен с использованием чистых пород или систем без гравия (Рисунок 24). Область, где песок соприкасается с существующей землей, называется базальной. На почвах с низкой степенью инфильтрации базальная площадь должна быть достаточно большой, чтобы обеспечить просачивание ежедневного объема стоков на поверхность почвы.В условиях высокого уровня грунтовых вод приподнятый слой позволяет проводить биологическую очистку до того, как сточные воды просачиваются в грунтовые воды.
Рисунок 23. Строительные особенности насыпи канализации.
Рис. 24. Поперечное сечение насыпи сточных вод, показывающее два типа систем выщелачивания без гравия.
Стоки перекачиваются в систему насыпи и распределяются по слою быстрой инфильтрации под давлением (рис. 25).Сточные воды перекачиваются в насыпь через пластиковую трубу диаметром 1,5 дюйма или больше. Бак насоса должен быть достаточно большим, а органы управления насосом должны быть настроены таким образом, чтобы доза, равная примерно четверти дневного объема сточных вод, сбрасывалась в насыпь при запуске насоса.
Проектная нагрузка дома с тремя спальнями составляет 450 галлонов в сутки, поэтому насос должен пропускать около 110 галлонов на дозу. Это обеспечивает период отдыха между дозами и позволяет сточным водам проникать до следующей дозы. Кроме того, это увеличивает срок службы насоса.Частые запуски и остановки насоса сокращают срок службы двигателя.
Рисунок 25. Септик, насосная камера и насыпь сточных вод.
Насыпи сточных вод всегда должны проектироваться с системой распределения сточных вод под давлением (Рисунок 26). Система распределения под давлением равномерно распределяет сточные воды по всей базальной площади и помогает предотвратить перегрузку в любом месте под насыпью. Пластиковые трубы могут быть проложены либо в каменном дне, либо в трубе без гравия.Производители труб без гравия изготавливают изделия специально для использования в насыпях сточных вод.
Рисунок 26. Система распределения давления с использованием двух параллельных труб с центральной подачей.
Насос в насосной камере подает сточные воды под давлением.
Система распределения давления состоит из трубы ПВХ диаметром 1¼ или 1½ дюйма. Диаметр трубы важен, потому что слишком большой диаметр (например, 2 дюйма) может привести к неравномерному распределению сточных вод.Для насыпи сточных вод, требующей 6-футовой или более узкой зоны быстрой инфильтрации, используются две параллельные трубы. Для насыпи сточных вод, требующей зоны быстрой инфильтрации шириной от 7 до 10 футов, используются три параллельные трубы. При использовании пластиковых систем без гравия вместо горных пород труба распределения давления крепится внутри камеры или трубы.
Распределительные трубы должны иметь отверстие диаметром ¼ дюйма через каждые 40 дюймов в нижней части трубы. Стыки труб и заглушки необходимо проклеить. В противном случае они разойдутся во время строительства, под давлением или позже из-за оседания и морозного пучения.Трубы подключаются в центре, где сточные воды попадают в систему распределения под давлением из нагнетательной трубы насоса.
Для защиты от замерзания распределительный трубопровод и напорный трубопровод должны быть спроектированы таким образом, чтобы сливать воду при выключенном насосе. Этого можно добиться, используя дренажное отверстие диаметром ¼ дюйма в нагнетательной трубе в резервуаре насоса.
Калибр
Базальная площадь насыпи (площадь контакта насыпного песка с существующей почвой) определяет все остальные расчетные параметры насыпи.Базальная площадь определяется структурой существующей почвы. Для медленно проницаемых глинистых и глинистых суглинков используйте расчетную скорость загрузки сточных вод от 0,20 до 0,25 галлона в день на квадратный фут.
Пример: для дома с тремя спальнями, производящего 450 галлонов сточных вод в день, площадь контакта между насыпным песком и существующей землей должна составлять от 1800 футов2 (450 галлонов в сутки ÷ 0,25 галлонов в сутки / фут2) до 2250 футов2 (450 галлонов в сутки ÷ 0,20 галлонов в сутки / фут2). На рисунке 27 показан холм для дома с тремя спальнями.
Площадь основания этого холма на ровной поверхности составляет 2150 квадратных футов. Необходимое количество чистого, промытого песка составляет около 72 кубических ярдов.
Рисунок 27. Канализационная насыпь на равнинной местности. Размеры были рассчитаны на основе сточных вод из дома с тремя спальнями с насыпью, построенной над суглинком, до глинистой почвы.
Зона быстрой инфильтрации определяется с использованием скорости всасывания среднего песка. Средний песок имеет коэффициент загрузки 1.2 галлона в день на квадратный фут. Используя пример дома с тремя спальнями, требуемая площадь каменного основания составляет 375 футов2 (450 галлонов в день ÷ 1,2 галлона / день / фут2). Если вместо камня используется система без гравия, ее размер должен обеспечивать 375 футов2 площади быстрого проникновения. Для почв с низкой проницаемостью сохраняйте ширину распределительной трубы от 4 до 6 футов. В нашем примере дома с тремя спальнями каменная основа или системы без гравия будут иметь длину около 375 футов2 ÷ 6 = 63 фута.
Для каменного пласта шириной 6 футов и толщиной 12 дюймов потребуется около 14 кубических ярдов промытой породы.Для систем без гравия требуются два ряда пластиковых камер или два ряда труб без гравия, каждый длиной 63 фута.
Курганы должны располагаться на равнинах или гребнях холмов; однако они могут быть построены на наклонной местности (Рисунок 28). Однако текстура почвы и скорость просачивания определяют максимальный уклон. Например, если структура верхнего слоя почвы представляет собой глинистый суглинок со скоростью просачивания 120 м / дюйм, то уклон грунта не должен превышать 3% (3-футовый перепад высот на 100 футов).Если скорость просачивания составляет от 60 до 120 миль на дюйм, тогда уклон грунта не должен превышать 6 процентов, а если скорость просачивания составляет 30 миль на дюйм или меньше, то насыпи могут быть построены на склонах до 12 процентов.
Рисунок 28. Канализационная насыпь на наклонной местности. Для большинства почв максимальный уклон не должен превышать 6 процентов (6 футов перепад высот на 100 футов).
Размеры были рассчитаны для количества сточных вод из дома с тремя спальнями с насыпью, построенной над глиняным суглинком, на глинистую почву.
Когда насыпь строится на склоне, только зона контакта песка с почвой под распределительной зоной (каменистая или без гравия) и спуск оттуда может считаться базальной зоной. В условиях наклонной почвы концы и часть насыпи, расположенная вверх по склону, получают очень мало сточных вод и не влияют на площадь инфильтрации.
Строительство
Курганы требуют очень кропотливой и осторожной практики строительства. Известно, что насыпи разрушаются по двум основным причинам — слишком маленькая базальная площадь для сточных вод из дома и плохие методы строительства.Чтобы насыпь функционировала в соответствии с планом, необходимо очень тщательно соблюдать методы строительства. Кроме того, домовладелец должен использовать воду с умом.
Первым шагом в строительстве насыпи является скашивание травы или растительного покрова в прикорневой области до максимальной высоты 2 дюйма и удаление всех обрезков.
Затем закопайте сливную линию от насосной станции. Трубопровод должен быть установлен ниже уровня замерзания или с равномерным уклоном назад к насосной камере, чтобы он стекал после выключения насоса. Вынутую траншею необходимо засыпать, а почву плотно утрамбовать, чтобы не допустить протекания стоков по трубе.
Далее идет подготовка земли. Земля должна быть взорвана или окучена чизельным плугом или зубьями ковша обратной лопаты. После подготовки поверхности запрещается движение колес в базальной зоне. Колесный транспорт запечатывает почву. Не работайте в условиях влажной почвы, поскольку влажная почва уплотняет, размазывает и уплотняет почву.
Далее идет насыпка песка. Песок для заполнения необходимо промыть и проверить , чтобы убедиться, что он содержит не более 10 процентов мелких частиц . Чтобы проверить, поместите 2,5 дюйма песка в литровую банку и добавьте воды примерно на три четверти.Накройте крышкой и встряхните, чтобы песок и вода смешались. Дайте смеси постоять час и измерьте скопление ила и глины на песке.
Если глубина составляет дюйма или меньше, песок достаточно чистый для использования в насыпи. Это испытание следует провести до того, как песок будет доставлен на площадку. Песок из карьера варьируется в широких пределах, даже из одной и той же области карьера, и его не следует использовать.
Положите чистый песок, начиная с одного конца, и двигайтесь к другому концу. Двигайтесь по песку по мере продвижения. Формируйте песок с помощью экскаватора с гусеницами или гусеничного трактора, но убедитесь, что под гусеницами имеется не менее 6 дюймов песка.Для этой операции нельзя использовать колесные транспортные средства. Не позволяйте гусеницам идти прямо по земле. После формования тракторным ножом выровняйте и окончательно обработайте вручную. Верх песчаной подушки должен быть ровным по всей длине насыпи.
Для каменистых пластов на песке необходимо сформировать траншею глубиной около 12 дюймов и шириной 6 футов необходимой длины. Поместите в траншею 6 дюймов камня диаметром от до 3 дюймов.
Поместите распределительную трубу на камень и накройте 2 дюймами камня.Накройте камень одним из следующих материалов: 4-6-дюймовым слоем сена или соломы, необработанной строительной бумагой (красной канифольной бумагой) или геотекстильным материалом, предназначенным для дренажных полей септических систем.
Для распределения без гравия поместите трубу или камеру без гравия на ровный песок. Установите распределительную трубу в несущих gravelless и подключить к напорной трубе от насоса резервуара. Еще раз проверьте все соединения. Перед накрытием проверьте насос и распределительную систему. Покройте систему без гравия геотекстильной тканью и положите сверху плотный грунт (Рисунок 24).
Закройте насыпь глинистой или супесчаной почвой (рис. 23 и 24). Сделайте крышку 12 дюймов высотой в центре кровати и 6 дюймов высотой в конце кровати. Сужайте шапку по бокам насыпи.
Наконец, засыпьте насыпь 6-дюймовым хорошим верхним слоем почвы и посейте траву. Не сажайте деревья или кусты на вершине холма.
Вокруг основания можно сажать водостойкие кусты. Постоянные дождевальные системы газона не следует устанавливать достаточно близко к насыпи, чтобы на нее поливать воду.
Постройте насыпи по контуру существующей земли. Никогда не ставьте насыпь на низком месте, где будет скапливаться вода. Если насыпь находится на наклонной поверхности, используйте уступ на склоне холма, чтобы отвести сточные воды вокруг насыпи. Можно построить курганы, чтобы дополнить ландшафтный дизайн. Кусты у основания насыпи используют воду и помогают удерживать снег. Если насыпь строят осенью, в первую зиму ее следует накрыть соломой или сеном, чтобы не замерзнуть.
лагуны
Небольшие лагуны (Рис. 29) могут использоваться для сдерживания стоков септических систем в некоторых местах.Лагуны — жизнеспособный вариант, когда ближайший сосед находится на расстоянии не менее четверти мили. Лагуны следует строить только на почвах с высоким содержанием глины. Лагуна должна действовать как контейнер, а не как камбуз для инфильтрации.
Воду в лагуне следует удалять испарением.
Рис. 29. Поперечное сечение небольшой лагуны на ферме, рассчитанной на отвод сточных вод из типичного дома с тремя спальнями.
Площадь лагуны должна составлять около 1000 квадратных футов на спальню.Лагуна, обслуживающая дом с тремя спальнями, требует около 3000 квадратных футов водной поверхности. Лагуна должна иметь рабочую глубину около 3 футов и минимальный надводный борт 2 фута. Борта лагуны должны иметь уклон 3-1 или более. Круглая лагуна площадью 3000 квадратных футов с рабочей глубиной 3 фута и боковыми откосами 3-1 будет иметь диаметр 62 фута на рабочей глубине и 74 фута в верхней части дамбы. Лагуна также может быть квадратной или прямоугольной.
Лагуна должна быть огорожена, чтобы не допустить детей и животных.Ежегодное обслуживание требует проверки на наличие повреждений и того, чтобы животные не прятались в стенах лагуны. Рогоз и другие растения в лагуне помогают использовать питательные вещества, содержащиеся в воде, но их корни могут создавать каналы для утечки воды.
Альтернативные септические системы
У домовладельцев есть много альтернативных методов очистки и удаления сточных вод из дома. Некоторые альтернативные системы заменяют септик или модифицируют работу септика, чтобы ускорить или улучшить первоначальную очистку бытовых сточных вод.Некоторые методы, альтернативные традиционному водосливу, улучшают инфильтрацию очищенной воды. Многие из этих альтернативных систем разработаны как полные пакеты.
Как правило, альтернативные системы более дороги, чем традиционные системы, и практически все они требуют постоянного электрического питания. Однако в некоторых местах, где невозможно установить традиционную септическую систему, они представляют собой жизнеспособную альтернативу. Если вы находитесь в медицинском районе, где действуют правила септической системы, проконсультируйтесь с вашим местным санитарным врачом перед установкой альтернативной системы.Некоторые могут быть не одобрены. В районах, где нет санитарии, проконсультируйтесь с отделом гигиены окружающей среды Министерства здравоохранения Северной Дакоты.
Здесь перечислены некоторые из наиболее распространенных альтернативных систем.
Системы фильтрации
Системы фильтрации физически улавливают взвешенные твердые частицы в сточных водах и обеспечивают среду, ускоряющую процесс разложения. Они похожи на мини-версии типичной системы очистки городских отходов. Системы фильтрации могут быть частью септика или сразу после него.Песочные фильтры используются уже много лет, и они могут быть сконфигурированы как однопроходные (отходы проходят только один раз) или многопроходные системы. Системы фильтрации, в которых используется торф, появились на рынке за последние 10 лет и используются как однопроходные. В других системах фильтрации используются искусственные или синтетические материалы для фильтрации сточных вод и обработки твердых биологических веществ. В основном это многопроходные системы. В некоторых частях США искусственные водно-болотные угодья использовались для очистки бытовых сточных вод.Однако исследования искусственных водно-болотных угодий в штатах северного яруса не увенчались успехом.
За исключением однопроходной фильтрации, все остальные должны использовать насос для многократной циркуляции сточных вод. Использование насоса на постоянной основе увеличивает затраты на электроэнергию и требует наличия системы сигнализации. Часто системы не могут работать, если насос не работает.
Альтернативные дренажные поля
Большинство альтернативных дренажных полей представляют собой варианты систем траншей, абсорбционных лож и насыпей, описанных в этой публикации.Системы с высоким уровнем грунтовых вод используются в районах с высоким уровнем грунтовых вод, в районах с неглубоким коренным слоем или с другими проблемами инфильтрации. Они представляют собой комбинацию траншейной и насыпной технологий. Дно траншеи — поверхность грунта. Растительность удаляется, а в местах, где будет дно траншеи, земля расчищается или очищается. Затем добавляется гравий, и распределительные трубы укладываются на место и засыпаются гравием, а затем слоем верхнего слоя почвы.
Альтернативные водосборные бассейны — еще один метод распределения сточных вод.Построены два дренажных поля. У каждого из них от 50 до 100 процентов площади, необходимой для дома. Пока одно водосливное поле используется, другое находится в состоянии покоя. Обычно один используется около двух лет, затем домовладелец переходит на другой. Специальная коробка с двухходовым клапаном или задвижкой контролирует поток из септика.
Капельное орошение используется для распределения очищенных сточных вод в некоторых частях США. Капельные линии обычно проложены примерно на 1 фут ниже поверхности почвы.Капельные линии могут очень легко закупориться, поэтому сточные воды необходимо очищать, фильтровать и хлорировать перед их перекачкой в капельные линии. Эти системы могут быть очень дорогими как в установке, так и в обслуживании.
Уход за септическими системами — Old House Journal Magazine
Хотя с септической системой может показаться сложнее жить, чем с канализационной системой, достаточно лишь немного усилий, чтобы избежать крупных затрат на ремонт или замену в будущем.
Фото: Джош Рейнольдс
Вы знаете, что происходит, когда вы спускаете воду в унитазе? Жители города редко задумываются над ответом, потому что их отходы обычно проходят через центральную канализационную систему на очистные сооружения.Однако домовладельцы в пригородных и сельских районах часто имеют собственные системы сточных вод. Им действительно нужно быть внимательными, потому что сбой в их системе может повлиять на их собственность и даже загрязнить их питьевую воду. В отличие от канализации, локальные системы собирают, обрабатывают и удаляют сточные воды из вашего дома прямо на вашем участке. Поэтому надлежащий уход и обслуживание вашей системы полностью зависит от вас.
Как работает септическая система?
Большинство старых домов подключено к обычной септической системе, хотя в некоторых домах все еще может быть выгребная яма или даже уборная.Отстойные ямы — это большие кирпичные, каменные или бетонные своды, в которых могут оседать твердые частицы. Они были популярны до 1950-х годов, но сейчас в большинстве районов страны их существование не регулируется.
Убежища — это просто надворные постройки над ямой в земле, которую можно перемещать при заполнении. Тайные права обычно незаконны, но вы можете найти их в отдаленных сельских районах.
Септики — это резервуары, которые позволяют анаэробным бактериям разрушать органические отходы. Старые резервуары часто представляют собой однокамерные из стали или бетона.Более новые баки (показаны здесь) пластиковые. Порты на вершине разрешительной службы. (Иллюстрации: Джон Ван Пелт)
Типичная септическая система включает септик (или резервуары), предназначенный для улавливания твердых веществ из бытовых отходов, и площадку для захоронения жидких отходов. Отходы попадают из туалета, раковины, душа или стиральной машины по внутреннему водопроводу в септик. Бак представляет собой водонепроницаемую подземную емкость, где бактерии разрушают твердые отходы.
По мере продвижения отходов через резервуар твердые частицы оседают на дно, а жидкости проходят через выпускные трубы.
Анаэробные бактерии (бактерии, которые живут в отсутствие воздуха) со временем разлагают твердые отходы. Когда жидкость проходит через резервуар, более легкие частицы и жир поднимаются на поверхность, образуя плавающий слой накипи, который остается в резервуаре. После выхода из резервуара жидкость рассеивается на землю через ямы для захоронения — перфорированные или открытые трубы, заглубленные в неглубокие траншеи, заполненные гравием. На данный момент жидкость все еще содержит большое количество вредных бактерий и органических веществ.Почва абсорбирует эти примеси до того, как жидкость попадет в подземные водоемы.
Почему выходят из строя септические системы?
Твердые частицы всегда накапливаются в септике, потому что скорость разложения намного ниже, чем скорость, с которой система добавляет сточные воды. Фактически, некоторые твердые вещества никогда не разложатся. Кроме того, жиры и жир, образующие слой накипи, накапливаются быстрее, чем скорость разложения. Перегородки удерживают этот слой накипи в резервуаре.
Если перегородки повреждены, накипь может попасть в канализационные трубы, забивая их и вызывая сбои в работе.Сбои также могут произойти, если вы смываете в систему инертные, токсичные или не поддающиеся биологическому разложению вещества. Эти материалы не разлагаются и могут убить «полезные бактерии» или просто засорить резервуар. Кроме того, большие выбросы отходов и воды в систему — результат чрезмерного использования — могут либо вызвать переполнение, либо нарушить баланс системы.
В старых системах основными проблемами являются износ материалов, особенно перегородок резервуаров, и засорение боковых стволов (труб в зоне выщелачивания).Очень часто в старых домах используются переоборудованные выгребные ямы или дренажные ямы, которые были закрыты, чтобы стать септиками. Сделанные из керамических труб или бетонных блоков, они могут легко потрескаться или испортиться с годами. Также ранее септики и распределительные коробки часто были стальными или бетонными, которые могли ржаветь и трескаться.
Трубы обычно изготавливались из керамики или композитной битумной бумаги, которые при правильном использовании служат от 20 до 30 лет. В более новых системах используется сборный бетон и стеклопластик / пластмасса.
Обслуживание вашей септической системы
На ровной поверхности площадка для захоронения (или слой выщелачивания) разложена как вилы.
Там, где дом стоит на возвышении, слой выщелачивания может наклоняться зигзагообразно.
Многие домовладельцы — особенно те, которые живут в старых домах — не уверены, где их резервуар и поле закопаны по отношению к дому. Очень важно найти резервуар, потому что в конечном итоге он потребует обслуживания. Сначала найдите порт откачки и смотровое окно. Ищите надводный или подземный люк или стояк, который стоит прямо над поверхностью почвы. Вы также можете использовать узкий стальной стержень диаметром около 1/8 дюйма, чтобы осторожно зондировать почву для резервуара и распределительной коробки.
Если вы не можете найти резервуар, наймите профессионала, чтобы он нашел его для вас.
Как только вы найдете резервуар, попытайтесь найти место для утилизации, которое обычно вентилируется из распределительной коробки. Затем нарисуйте обе эти функции на карте, которую вы держите в удобном месте. Однако имейте в виду, что найти отводы может быть сложно — настолько, что в некоторых случаях даже подрядчикам по сепарации трудно найти все компоненты. Они могут использовать тест с окрашиванием, чтобы выявить место повреждения, но этот метод может не определить фактические места отводов.Самое главное, регулярно откачивайте свой резервуар. Когда резервуар не очищается, твердые частицы накапливаются до тех пор, пока не выливаются на площадку для утилизации, где они блокируют поток жидкости. Частота зависит от размера резервуара и количества людей, которые он обслуживает. Резервуары следует проверять не реже одного раза в два года для определения уровня образования осадка (твердых частиц на дне резервуара) и накопления накипи.
При обычном использовании и уходе септик обычно требует чистки каждые три-пять лет (больше, если вы используете установку для вывоза мусора, установленную на раковине).Однако во многих случаях септики могут эксплуатироваться до пяти лет при надлежащем обслуживании.
В зависимости от размера резервуара и вашего местоположения, планируйте потратить около 200 долларов на каждую откачку. Перед тем, как заключить контракт с сервисным техником, попросите его проверить перегородки бака на предмет возможных повреждений. Пока бак открыт, техник может также налить немного воды из шланга в распределительную коробку, чтобы получить представление о том, насколько хорошо функционирует поле выщелачивания. Одно предупреждение: токсичные газы накапливаются в септических резервуарах, поэтому никогда не позволяйте никому заходить в резервуар.Вы также должны проявлять осторожность, просто всматриваясь в резервуар.
Не сажайте деревья или кусты возле вашего поля для захоронения. Корни могут вырасти на 30-40 футов от основания дерева и сломать или сместить распределительную коробку, соединительные трубы и боковые стороны.
Лучшим растительным покровом для полигона является трава. Кроме того, не управляйте транспортными средствами или тяжелым оборудованием по полю для утилизации. Следите за избытком воды изнутри дома. Это приведет к перегрузке резервуара, в результате чего твердые частицы поднимутся наверх и забьют отводы.На свалке избыток воды может привести к гидравлической перегрузке, которая снижает инфильтрацию почвы. Один из способов уменьшить количество воды, попадающей в систему, — это установить водосберегающие туалеты и насадки для душа. Постарайтесь распределить время мытья посуды и стирки в течение недели, а не на одно или два занятия. Исправьте протекающие туалеты и краны и не подключайте отстойники к септической системе.
Поля захоронения находятся прямо под землей в траншеях из гравия. Боковые элементы выходят из строя, когда они забиваются твердыми частицами или повреждаются корнями деревьев или транспортными средствами.
Будьте осторожны с тем, что вы выбрасываете в систему.
Не наливайте в кухонную раковину растительные масла, жиры и жир. Также воздержитесь от использования мусоропровода, установленного на раковине. Не смывайте не биоразлагаемые предметы, такие как одноразовые подгузники, наполнитель для кошачьих туалетов, сигареты с фильтром, гигиенические салфетки или пластиковые аппликаторы тампонов, бумажные полотенца, презервативы или аналогичные материалы. Никогда не смывайте токсичные вещества, такие как отработанное моторное масло, краски (на масляной или водной основе), лаки, фотографические растворы, пестициды, инсектициды, разбавители для красок или растворители.Эти химические вещества могут убить полезные бактерии в резервуаре и в почве, а также загрязнить грунтовые воды.
Избегайте также биологических добавок, таких как дрожжи или магазинные ферменты. Не было обнаружено, что ни один из этих продуктов имеет значительную ценность для повышения производительности или предотвращения сбоев. Не используйте очистители септических систем, содержащие токсичные вещества.
Многие безрецептурные растворы, продаваемые для очистки септических систем, содержат химические вещества, которые могут быть токсичными и, как правило, не разлагаются микроорганизмами.Хотя эти продукты могут разблокировать забитую сливную трубу, они также могут загрязнить питьевую воду или запасы грунтовых вод.
Эксперты рекомендуют избегать использования чистящих средств, содержащих гидроксид натрия, гидроксид калия или перекись водорода. Также не используйте продукты, содержащие токсичные химические вещества в количестве более 1 процента по весу, такие как трихлорэтан, трихлорэтилен, тетрахлорэтилен, хлористый метилен, бензол, четыреххлористый углерод, толуол, нафталин, трихлорфенол, пентахлорфенол, акролеин, акрилонитрил или бензин.
Как определить, что ваша система выходит из строя
Хотя не существует 100-процентно точных методов для обнаружения неисправной септической системы, подозревайте проблему, если вы видите следующие индикаторы:
Туалеты, подключаемые к дому: Первый исключить засорение линии почвы или другие проблемы с внутренним водопроводом.
Сточные воды или сточные воды просачиваются в здание или подвал: Вода от этой проблемы будет иметь заметный запах.
Отложения сточных вод на поверхности почвы в районе полигона для захоронения: Сточные воды могут сопровождать запах сточных вод и чрезмерно пышная растительность.В здоровой системе трава не должна быть слишком зеленой над зараженным полем.
Нездоровая питьевая вода: Ваш колодец или колодец вашего соседа имеет неприятный запах, либо анализ указывает на загрязнение.
Помните, что сточные воды на земле представляют серьезную опасность для здоровья и должны быть устранены как можно скорее. Не позволяйте детям или домашним животным приближаться к вышедшему из строя свалке.
Что делать при сбое системы
Обратитесь в местный отдел здравоохранения, если вы подозреваете, что ваша система дает сбой.Также обращайтесь к услугам профессионального подрядчика по установке септических систем.
Затем поработайте с обеими сторонами, чтобы разработать план действий.
В старых домах нередко можно обнаружить септическую систему, которая либо недостаточно спроектирована для текущего объема использования, требуемого жильцами, либо неправильно расположена, либо находится в месте, которое больше не поддерживает тип системы, установленной в настоящее время. В большинстве этих случаев вам необходимо заменить систему на новую, отвечающую современным требованиям. Хотя новая установка может быть дорогостоящей — обычно от 4000 до 10 000 долларов, — функционирующая септическая система имеет важное значение для работы вашего дома, а также для здоровья и безопасности вашей семьи.
Правильно эксплуатируемая и обслуживаемая септическая система может прослужить вам до 30 лет, защищая окружающую среду от загрязнения воды. Как и в случае со многими другими частями старого дома, унция профилактики в септических системах стоит фунта лечения.
Барри Чалофски — профессиональный планировщик Центра исследований городской политики при Университете Рутгерса и автор книги The Home and Land Buyer’s Guide to the Environment.
Септики — Вода NSW
Септики — одна из наиболее распространенных систем очистки сточных вод на объекте, но они обеспечивают лишь ограниченную (первичную) очистку за счет осаждения твердых частиц и флотации жиров и смазки.
Сточные воды из септика не подходят для орошения и должны наноситься на землю только через закрытые системы поглощения почвы или насыпь из песка.
Орошение очищенными стоками возможно, если септики используются вместе с системой аэрации, которая обрабатывает сточные воды в соответствии с более высокими стандартами.
Септик обычно имеет две камеры, разделенные перегородкой (перегородкой), которая имеет отверстие на полпути между дном резервуара и крышей, позволяющее только осветленной жидкости перемещаться между камерами. Септик обычно имеет крышку люка с двумя смотровыми окнами.
Сточные воды попадают в первую камеру, где твердые частицы оседают на дно, а пена всплывает вверх. Пена образует воздухонепроницаемый слой, который обеспечивает анаэробное переваривание твердых веществ (микроорганизмы, разрушающие биоразлагаемый материал в отсутствие кислорода).
Это уменьшает объем твердых частиц.
Осветленная жидкость между слоями ила и накипи протекает через отверстие в разделительной перегородке во вторую камеру, где происходит дальнейшее осаждение. Затем частично осветленная жидкость течет из выпускного отверстия в абсорбционные слои или насыпи, где из жидкости извлекаются дополнительные питательные вещества и микроорганизмы.
Общие проблемы с септиками:
- незакрепленные резервуары, поднимающиеся из земли после дождя
- ливневые воды, поступающие в резервуар, потому что резервуар слишком низкий или стоки не отводятся
- высокий уровень ила, накапливающегося из-за отсутствия обслуживание
- Размер бака слишком мал для размера дома (гидравлическая нагрузка).
Сточные воды (очищенные сточные воды) из септических резервуаров могут быть сброшены на вашу территорию через:
- измененные насыпи почвы
- песчаные насыпи
- траншеи и кровати для поглощения и
- эвапотранспирационных поглощающих площадок.

Типы септических систем | Септические системы (локальные / децентрализованные)
Конструкция и размер септической системы могут широко варьироваться от вашего района до страны в зависимости от сочетания факторов.Эти факторы включают размер домохозяйства, тип почвы, уклон участка, размер участка, близость к чувствительным водоемам, погодные условия или даже местные правила. Ниже приведены десять наиболее распространенных типов используемых септических систем. Список не исчерпывающий; существует множество других типов септических систем.
Септик
Заглубленный водонепроницаемый резервуар, предназначенный и сконструированный для приема и частичной очистки неочищенных бытовых бытовых сточных вод. Тяжелые твердые частицы оседают на дно резервуара, в то время как смазки и более легкие твердые частицы всплывают вверх.Твердые частицы остаются в резервуаре, в то время как сточные воды сбрасываются в канализацию для дальнейшей обработки и рассеивания.
Просмотрите и загрузите увеличенную версию этой схемы
Начало страницы
Обычная система
Децентрализованная система очистки сточных вод, состоящая из септика и траншейной или донной системы подземной инфильтрации сточных вод (дренажного поля). Обычная септическая система обычно устанавливается в доме на одну семью или на небольшом предприятии.
Дренажное поле из гравия / камня — это конструкция, которая существует уже несколько десятилетий. Название относится к конструкции водосточного поля. При такой конструкции сточные воды из септика направляются в неглубокую подземную траншею из камня или гравия. Затем поверх траншеи кладут геоткань или аналогичный материал, чтобы песок, грязь и другие загрязнения не попали в чистый камень.
Сточные воды фильтруются через камень и затем подвергаются дальнейшей обработке микробами, когда достигают почвы под гравием / каменной траншеей.
Системы гравия / камня имеют относительно большую площадь основания и могут не подходить для всех жилых участков или условий.
Просмотрите и загрузите увеличенную версию этой схемы
Начало страницы
Камерная система
Бессточные дренажные поля более 30 лет широко используются во многих штатах и стали традиционной технологией, заменяющей гравийные системы. Они бывают самых разных форм, включая камеры с открытым дном, трубы, обернутые тканью, и синтетические материалы, такие как наполнитель из пенополистирола.Системы без гравия могут изготавливаться из переработанных материалов и обеспечивать значительную экономию углеродного следа.
Примером системы без гравия является камерная система. Система камер служит альтернативой системе гравий / камень. Основным преимуществом камерной системы является повышенная простота доставки и конструкции. Они также хорошо подходят для районов с высоким уровнем грунтовых вод, где объем притока в септическую систему варьируется (например, в загородном доме или сезонной гостинице), в районе, где мало гравия, или в районах, где другие технологии, такие как поскольку пластиковые камеры легко доступны.
Этот тип системы состоит из ряда соединенных между собой камер. Пространство вокруг и над камерами засыпано почвой. Трубы несут сточные воды из септика в камеры. В камерах сточные воды контактируют с почвой. Микробы на почве или рядом с ней обрабатывают сточные воды.
Просмотрите и загрузите увеличенную версию этой схемы
Начало страницы
Система распределения капель
Капельная система распределения — это тип рассеивания сточных вод, который может использоваться на многих типах дренажных полей.Основное преимущество системы распределения капель заключается в том, что не требуется большой насыпь почвы, так как отводы капельницы вставляются в верхние 6–12 дюймов почвы. Недостатком капельной системы распределения является то, что она требует большого дозирующего резервуара после септического резервуара для размещения дозированной доставки сточных вод в зону поглощения капель. Для этой системы необходимы дополнительные компоненты, такие как электроэнергия, что требует дополнительных затрат и повышенного обслуживания.
Просмотрите и загрузите увеличенную версию этой схемы
Начало страницы
Установка аэробной обработки
Установки аэробной очистки (ATU) используют многие из тех же процессов, что и муниципальные очистные сооружения, но в меньшем масштабе.Аэробная система нагнетает кислород в резервуар для обработки. Дополнительный кислород увеличивает естественную бактериальную активность в системе, которая затем обеспечивает дополнительную обработку питательных веществ в сточных водах. Некоторые аэробные системы также могут иметь резервуар для предварительной обработки и резервуар для окончательной обработки, включая дезинфекцию для дальнейшего снижения уровня патогенов.
Преимущества этой системы заключаются в том, что ее можно использовать в домах с небольшими участками, с неадекватными почвенными условиями, в районах, где уровень грунтовых вод слишком высок, или в домах, расположенных рядом с поверхностным водным объектом, чувствительным к загрязнению питательными веществами, содержащимися в сточных водах.
.Для ATU следует ожидать регулярного технического обслуживания в течение всего срока службы.
Просмотрите и загрузите увеличенную версию этой схемы
Начало страницы
Mound Systems
Системы насыпей — это вариант для участков с небольшой глубиной почвы, высоким уровнем грунтовых вод или мелкими коренными породами. Построенный песчаный холм содержит траншею водосборного поля. Сточные воды из септика поступают в насосную камеру, где в заданных дозах перекачиваются на насыпь. Очистка сточных вод происходит по мере того, как они сбрасываются в траншею и фильтруются через песок, а затем рассеиваются в естественной почве.
Хотя системы насыпей могут быть хорошим решением для определенных почвенных условий, они требуют значительного пространства и периодического обслуживания.
Просмотрите и загрузите увеличенную версию этой схемы
Начало страницы
Система рециркуляционного песочного фильтра
Системы песочных фильтров могут быть построены над или под землей.
Сточные воды из септика поступают в насосную камеру. Затем он перекачивается в песочный фильтр.Песочный фильтр часто представляет собой футеровку из ПВХ или бетонный ящик, заполненный песчаным материалом. Сточные воды под низким давлением перекачиваются по трубам в верхней части фильтра. Сточные воды выходят из труб и обрабатываются, поскольку они фильтруются через песок. Очищенные сточные воды затем сбрасываются в канализацию.
Песочные фильтры обеспечивают высокий уровень очистки от питательных веществ и подходят для участков с высоким уровнем грунтовых вод или вблизи водоемов, но они более дорогие, чем обычные септические системы.
Просмотрите и загрузите увеличенную версию этой схемы
Начало страницы
Система эвапотранспирации
Системы эвапотранспирации имеют уникальные дренажные поля. Основание дренажного поля системы эвапотранспирации облицовано водонепроницаемым материалом. После того, как сточные воды попадают в дренажное поле, они испаряются в воздух.
В отличие от других конструкций септических систем, сточные воды никогда не фильтруются в почву и не достигают грунтовых вод.
Системы испарения могут использоваться только в определенных условиях окружающей среды. Климат должен быть засушливым и иметь достаточно тепла и солнечного света. Эти системы хорошо работают на мелкой почве; тем не менее, они рискуют выйти из строя, если идет слишком сильный дождь или снег.
Просмотрите и загрузите увеличенную версию этой схемы
Начало страницы
Построенная система водно-болотных угодий
Построенное водно-болотное угодье имитирует процессы обработки, происходящие в естественных водно-болотных угодьях.Сточные воды вытекают из септика и попадают в камеру заболоченного участка. Затем сточные воды проходят через среду и обрабатываются микробами, растениями и другими средами, которые удаляют патогены и питательные вещества. Ячейка водно-болотных угодий обычно состоит из непроницаемого покрытия, гравия и песка, а также соответствующих растений водно-болотных угодий, которые должны быть в состоянии выжить в постоянно насыщенной среде.
Система водно-болотных угодий может работать как за счет гравитационного потока, так и за счет распределения давления. По мере того, как сточные воды проходят через заболоченное место, они могут выходить из заболоченного места в водосборное поле для дальнейшей очистки сточных вод в почву.
Просмотрите и загрузите увеличенную версию этой схемы
Начало страницы
Кластер / система сообщества
Децентрализованная система очистки сточных вод, находящаяся в какой-либо форме общей собственности, которая собирает сточные воды из двух или более жилищ или зданий и направляет их в систему очистки и рассеивания, расположенную на подходящем участке рядом с жилищами или зданиями. Кластерные системы часто встречаются в таких местах, как сельские районы.
Просмотрите и загрузите увеличенную версию этой схемы
Начало страницы
Архив септиков — страница 2 из 2
Чаще всего вы исследуете стоимость опорожнения септика, если думаете о покупке или переезде в собственность, в которой установлена система канализации.
В этой статье мы надеемся помочь вам понять ответ на вопрос «Сколько стоит опустошить септик?».
Определение стоимости может сбить с толку, когда вы узнаете, что необходимо учитывать множество различных атрибутов.
Во-первых, важно определить, какой тип канализационной системы требует затрат на опорожнение.
Если вы хотите узнать наши цены, пожалуйста, нажмите здесь и заполните одну из наших форм мгновенных расценок.
выгребная яма
До внедрения септика нередко можно было найти домохозяйства с установленными выгребными ямами.
Помойка просто хранит отходы, а не обрабатывает сточные воды, как их предшественник, септик.
Периодичность, с которой вам нужно будет опорожнять выгребную яму, будет зависеть от размера самой выгребной ямы, а также от количества людей, проживающих на территории, но, вероятно, вам придется опорожнять выгребную яму 1–10 раз в год.
Септик
Подобно выгребной яме, септик также собирает сточные воды, но выполняет более сложную службу.
Система обычно состоит из двух камер. В первой камере содержатся все поступающие сточные воды, и все твердые частицы «поощряются» оседать на дне резервуара, где твердые частицы будут разлагаться септическими бактериями в форме переваривания, называемой анаэробным сбраживанием.
Между тем, щелоки будут стекать во вторую камеру, где любые взвешенные частицы снова поощряются оседать на дне, в то время как оставшиеся щелоки выходят в систему пропитывания и в окружающую среду.Все другие примеси улавливаются и удаляются в почве.
Важно понимать, что существует множество нормативных актов, которые необходимо соблюдать, которые издаются Национальными ресурсами Уэльса.
Одно из правил, которое важно для этой статьи, — «Согласие на увольнение».
Септические резервуары необязательно требуются для полного опорожнения, однако их необходимо регулярно очищать от шлама.
Этот процесс удаляет твердые частицы (отстой) из системы, обеспечивая при этом эффективное количество воды, содержащей бактерии, для того, чтобы система продолжала работать на оптимальном уровне.
Очистные сооружения
Процесс установки для очистки сточных вод известен как наиболее экологически чистый, поскольку его механические компоненты помогают разрушать жидкие отходы, в результате чего сточные воды становятся намного более чистыми.
Сколько стоит опустошить септик? Наше ориентировочное руководство по стоимости.
Размер резервуара иногда может влиять на стоимость. Септики обычно считаются самой дешевой канализационной системой в обслуживании.
Удаление шлама Частота: 1-2 раза в год.
Средняя стоимость очистки:
1000 галлонов / 4500 литров: 120 — 160 фунтов стерлингов
2000 галлонов / 9000 литров: 160-200 фунтов стерлингов
3000 галлонов / 13500 литров: 260 — 300 фунтов стерлингов
4000 галлонов / 18000 литров: 360 — 400 фунтов стерлингов
Что такое септик?
Как узнать, когда нужно опорожнить септик
Архив компании — Страница 5 из 5
Септик — одна из трех распространенных систем управления отходами, которые собирают сточные воды с территории, а не подключаются к основной дренажной системе.
Все эти системы управления отходами имеют небольшие различия в процессе сбора и обработки сточных вод.
Другие системы управления отходами — это выгребная яма или очистное сооружение.
Подобно выгребной яме, септик также собирает сточные воды, но выполняет более сложную службу.
Система обычно состоит из двух камер. Первая камера содержит все поступающие сточные воды, и все твердые частицы «поощряются» оседать на дне резервуара, где они будут разлагаться септическими бактериями посредством анаэробного сбраживания.
Между тем щелоки (жидкость) будут стекать во вторую камеру, где любые взвешенные частицы снова поощряются к осаждению на дне, в то время как оставшиеся щелоки выходят в систему пропитывания и в окружающую среду. Все другие примеси улавливаются и удаляются в почве.
Важно понимать, что существует множество правил, которые необходимо соблюдать, которые издает Агентство по окружающей среде, если в вашей семье есть или потенциально будет установлен септик.
Одним из важных правил этой статьи является «Согласие на увольнение».
Септические резервуарыне обязательно должны быть полностью опустошены, однако их необходимо регулярно очищать от шлама. Этот процесс удаляет твердые частицы (отстой) из системы, обеспечивая при этом эффективное количество воды, содержащей бактерии, для того, чтобы система продолжала работать на оптимальном уровне.
Септик широко известен как наиболее экономичная система управления отходами, поскольку вам нужно очищать систему от шлама только 1-2 раза в год.
Размер вашего резервуара потенциально может повлиять на стоимость опорожнения септика.
См. Наиболее распространенные размеры ниже:
1000 галлонов / 4500 литров
2000 галлонов / 9000 литров
3000 галлонов / 13500 литров
4000 галлонов / 18000 литров
Если вы хотите узнать больше о наших услугах по очистным резервуарам, нажмите здесь, чтобы заполнить нашу контактную форму.
Сколько стоит опорожнение септика?
Как узнать, когда нужно опорожнить септик
.












При отсутствии на участке сооружений для забора воды, бактериями не пользуются.